X3288CV2_20150929.pdf

  • 文件大小: 238.02KB
  • 文件类型: pdf
  • 上传日期: 2025-10-24
  • 下载次数: 0

概要信息:

5
5
4
4
3
3
2
2
1
1
D D
C C
B B
A A
www.9tripod.com
X3288CV2
VCC_IO
VCC_SYS
VCC_BAT+
VCC_RTC
VCC_BAT-
VCC50_USB
VCC+5V
B
L_
E
N
LV
D
S
_D
0N
TO
U
C
H
_R
S
T
LV
D
S
_D
0P
LCDC_BL
H
O
S
T1
_D
M
O
TG
_D
P
O
TG
_D
E
T
U
S
B
_I
N
T
O
TG
_I
D
O
TG
_D
M
H
O
S
T1
_D
P
LV
D
S
_D
2P
LV
D
S
_D
3P
LV
D
S
_D
1N
LV
D
S
_D
1P
LV
D
S
_D
2N
LV
D
S
_D
4N
LV
D
S
_C
LK
0N
LV
D
S
_D
4P
LV
D
S
_D
3N
LV
D
S
_C
LK
0P
LV
D
S
_D
7P
LV
D
S
_D
6P
LV
D
S
_D
6N
LV
D
S
_D
5P
LV
D
S
_D
5N
LV
D
S
_D
8N
LV
D
S
_D
9N
LV
D
S
_D
8P
LV
D
S
_D
7N
LV
D
S
_D
9P
LC
D
C
0_
H
S
Y
N
C
LC
D
C
0_
D
C
LK
LC
D
C
0_
D
E
N
LV
D
S
_C
LK
1P
LV
D
S
_C
LK
1N
LC
D
C
0_
V
S
Y
N
C
I2C4_SDA_TP
TO
U
C
H
_I
N
T
I2C4_SCL_TP
M
IP
I_
TX
_D
0P
M
IP
I_
TX
_D
0N
M
IP
I_
TX
_D
1P
M
IP
I_
TX
_D
1N
M
IP
I_
TX
_C
LK
P
M
IP
I_
TX
_C
LK
N
M
IP
I_
TX
_D
2P
M
IP
I_
TX
_D
2N
M
IP
I_
TX
_D
3P
M
IP
I_
TX
_D
3N
SDMMC_D3
SDMMC_D2
SDMMC_CLK
SDMMC_CMD
SDMMC_DET
SDMMC_D0
SDMMC_D1
SDMMC_PWR
HOST2_DP
HOST2_DM
H
D
M
I_
C
E
C
H
D
M
I_
H
P
D
H
D
M
I_
TX
C
N
H
D
M
I_
TX
0P
H
D
M
I_
TX
2P
H
D
M
I_
TX
C
P
H
D
M
I_
TX
0N
H
D
M
I_
TX
2N
H
D
M
I_
TX
1N
H
D
M
I_
TX
1P
H
P
_D
E
T
O
TG
_V
B
U
S
_D
R
V
IR
3G
_G
P
IO
1
UART2_RXD
UART2_TXD
U
A
R
T1
_T
X
U
A
R
T1
_R
X
U
A
R
T3
_T
X
D
U
A
R
T3
_R
X
D
U
A
R
T4
_T
X
D
U
A
R
T4
_R
X
D
PMIC_PWRON
LIGHT_INT
COMP_INT
GSEN_INT
I2C1_SCL_Sensor
I2C1_SDA_Sensor
GYR_INT
ADCIN1
P
H
Y
_P
M
E
B
P
H
Y
_T
X
D
0
P
H
Y
_T
X
D
1
P
H
Y
_T
X
D
2
M
A
C
_R
X
D
0
M
A
C
_M
D
C
P
H
Y
_T
X
D
3
P
H
Y
_T
X
E
N
P
H
Y
_T
X
C
LK
M
A
C
_R
X
D
1
M
A
C
_R
X
C
LK
M
A
C
_C
LK
M
A
C
_R
X
D
V
M
A
C
_R
X
D
3
M
A
C
_M
D
IO
P
H
Y
_R
S
T
M
A
C
_R
X
D
2
GPIO7_A3_D
RESET
I2
C
5_
S
C
L_
H
D
M
I
I2
C
5_
S
D
A
_H
D
M
I
MIPI_TX/RX_CLKP
MIPI_TX/RX_D0P
MIPI_TX/RX_D0N
MIPI_TX/RX_CLKN
MIPI_TX/RX_D3N
MIPI_TX/RX_D2N
MIPI_TX/RX_D1N
MIPI_TX/RX_D1P
I2C3_SCL_CAM
I2C3_SDA_CAM
MIPI_TX/RX_D2P
MIPI_TX/RX_D3P
CIF_CLKI
CIF_D1
CIF_D0
CIF_PDN1
CIF_D3
CIF_HREF
CIF_VSYNC
CIF_PDN0
CIF_D6
CIF_CLKO
CIF_D4
CIF_D7
CIF_D2
CIF_D5
I2C2_SDA_AUDIO
I2S0_SDO0
I2S0_CLK
I2S0_LRCK_RX
I2S0_LRCK_TX
I2C2_SCL_AUDIO
PHONE_CTL
SPK_CTL
I2S0_SDI
I2S0_SCLK
W
IF
I_
D
2
W
IF
I_
D
1
W
IF
I_
R
E
G
_O
N
W
IF
I_
D
0
W
IF
I_
C
LK
W
IF
I_
D
3
W
IF
I_
C
M
D
R
TC
_C
LK
O
U
T2
G
P
IO
7_
A
5_
D
U
A
R
T0
_T
X
D
U
A
R
T0
_R
X
D
U
A
R
T0
_C
TS
U
A
R
T0
_R
TS
B
T_
W
A
K
E
B
T_
R
S
T
W
IF
I_
H
O
S
T_
W
A
K
E
B
T_
H
O
S
T_
W
A
K
E
P
H
Y
_I
N
T
3G
_R
E
G
_O
N
3G
_W
A
K
_I
N
3G
_W
A
_O
U
T
Title
Size Document Number Rev
Date: Sheet of
 A2
1 13Friday, October 30, 2015
CON1
RK3288
1
1
2
2
3
3
4
4
5
5
6
6
7
7
8
8
9
9
10
10
11
11
12
12
13
13
14
14
15
15
16
16
17
17
18
18
19
19
20
20
21
21
22
22
23
23
24
24
25
25
26
26
27
27
28
28
29
29
30
30
31
31
32
32
33
33
34
34
35
35
36
36
37
37
38
38
39
39
40
40
41
41
42
42
43
43
44
44
45
45
46
46
47
47
48
48
49
49
50
50
51
51
52
52
53
53
54
54
55
5556
5657
5758
5859
5960
6061
6162
6263
6364
6465
6566
6667
6768
6869
6970
7071
7172
7273
7374
7475
7576
7677
7778
7879
7980
8081
8182
8283
8384
8485
8586
8687
8788
8889
8990
90
91
91
92
92
93
93
94
94
95
95
96
96
97
97
98
98
99
99
10
0
10
0
10
1
10
1
10
2
10
2
10
3
10
3
10
4
10
4
10
5
10
5
10
6
10
6
10
7
10
7
10
8
10
8
10
9
10
9
11
0
11
0
11
1
11
1
11
2
11
2
11
3
11
3
11
4
11
4
11
5
11
5
11
6
11
6
11
7
11
7
11
8
11
8
11
9
11
9
12
0
12
0
12
1
12
1
12
2
12
2
12
3
12
3
12
4
12
4
12
5
12
5
12
6
12
6
12
7
12
7
12
8
12
8
12
9
12
9
13
0
13
0
13
1
13
1
13
2
13
2
13
3
13
3
13
4
13
4
13
5
13
5
13
6
13
6
13
7
13
7
13
8
13
8
13
9
13
9
14
0
14
0
14
1
14
1
14
2
14
2
14
3
14
3
14
4
14
4
145
145
146
146
147
147
148
148
149
149
150
150
151
151
152
152
153
153
154
154
155
155
156
156
157
157
158
158
159
159
160
160
161
161
162
162
163
163
164
164
165
165
166
166
167
167
168
168
169
169
170
170
171
171
172
172
173
173
174
174
175
175
176
176
177
177
178
178
179
179
180
180
5
5
4
4
3
3
2
2
1
1
D D
C C
B B
A ARK3288 FILTER www.9tripod.com
X3288CV2
VDD_LOG
VDD_GPUVDD_CPU
VDD_GPUVDD_CPU
VDD_LOG
VCC_LCD
VCC_LCD
VDD_GPU_FBVDD_CPU_FB
Title
Size Document Number Rev
Date: Sheet of
 A4
2 13Friday, October 30, 2015
C1008
22uF
C0805
C1025
0.1uF
C0402
U1000M
MCU_RK3288
VSS3
D9
VSS1
C3
VSS2
D6
VSS4
D12
VSS5
D15
VSS6
D18
VSS7
E20
VSS8
U24
VSS9
A21
VSS10
Y24
VSS11
AC24
VSS12
F4
VSS13
J4
VSS14
J9
VSS15
U9
VSS16
J17
VSS17
W10
VSS18
K10
VSS19
K11
VSS20
K12
VSS21
K13
VSS22
K14
VSS23
K15
VSS24
K16
VSS25
K17
VSS26
K18
VSS27
K19
VSS28
J18
VSS29
L10
VSS30
L11
VSS31
L13
VSS32
L14
VSS33
L15
VSS34
M4
VSS35
M10
VSS36
M11
VSS37
M13
VSS38
M14
VSS39
Y18
VSS40
N10
VSS41
N11
VSS42
N13
VSS43
N14
VSS44
N15
VSS45
P10
VSS46
P11
VSS47
P13
VSS48
P14
VSS49
P15
VSS50
P16
VSS51
P17
VSS52
P18
VSS53
R4
VSS54
R10
VSS55
R13
VSS56
R16
VSS57
R17
VSS58
R18
VSS59
R19
VSS60
T10
VSS61
R14
VSS62
T13
VSS63
Y20
VSS64
T15
VSS65
T16
VSS66
T17
VSS67
T18
VSS68
T19
VSS69
V9
VSS70
U10
VSS71
R15
VSS72
U13
VSS73
V4
VSS74
V10
VSS75
V11
VSS76
V12
VSS77
V13
VSS78
W11
VSS79
W12
VSS80
W13
VSS81
W14
VSS82
W15
VSS83
W16
VSS84
W17
VSS85
W18
VSS86
W19
C1019
22uF
C0805
C1003
1nF
C0402
C1012
22uF
C0805
C1020
22uF
C0805
C1013
22uF
C0805
C1026
1nF
C0402
C1007
22uF
C0805
C1009
22uF
C0805
C1015
1uF
C0402
C1000
10uF
C0603
C1016
0.1uF
C0402
C1006
0.1uF
C0402
C1010
22uF
C0805
C1011
22uF
C0805
C1018
1nF
C0402
C1005
NC
C0402
C1022
10uF
C0603
C1021
10uF
C0603
U1000R
MCU_RK3288
CPU_VDD1
U14
CPU_VDD2
U15
CPU_VDD3
U16
CPU_VDD4
U17
CPU_VDD5
U18
CPU_VDD6
U19
CPU_VDD7
V14
CPU_VDD8
V15
CPU_VDD9
V16
CPU_VDD10
V17
CPU_VDD11
V18
CPU_VDD12
V19
CPU_VDD_COM
T14
GPU_VDD1
L16
GPU_VDD2
L17
GPU_VDD3
L18
GPU_VDD4
L19
GPU_VDD5
M16
GPU_VDD6
M17
GPU_VDD7
M18
GPU_VDD8
M19
GPU_VDD9
N16
GPU_VDD10
N17
GPU_VDD11
N18
GPU_VDD12
N19
GPU_VDD_COM
M15
LOGIC_VDD1
L12
LOGIC_VDD2
M12
LOGIC_VDD3
N12
LOGIC_VDD4
P12
LOGIC_VDD5
R12
LOGIC_VDD6
T12
LOGIC_VDD7
U12
LOGIC_VDD8
R11
LOGIC_VDD9
T11
LOGIC_VDD10
U11
LCDC_VDD
V20
C1004
NC/10uF
C0603
C1001
0.1uF
C0402
C1002
0.1uF
C0402
C1024
0.1uF
C0402
C1023
1uF
C0402
C1017
0.1uF
C0402
C1014
10uF
C0603
5
5
4
4
3
3
2
2
1
1
D D
C C
B B
A A
www.9tripod.com
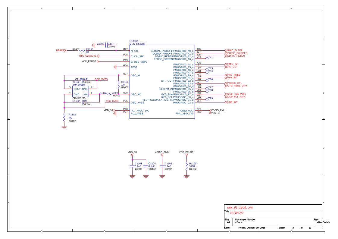
X3288CV2
OSC_XVSS
OSC_XVSS
VCCIO_PMUVDD_10
VDD_10
VCCIO_PMU
VCC_EFUSE
VDD_10 VCC_EFUSE
DDRIO_RETEN
I2C0_SCL_PMIC
I2C0_SDA_PMIC
OTG_VBUS_DRV
PHY_PMEB
PMIC_SLEEP
PHONE_CTL
USB_INT
PMIC_INT
RESET
RTC_CLKOUT1
DDRIO_PWROFF
PHY_INT
CHG_DET
Title
Size Document Number Rev
Date: Sheet of
 A4
3 13Friday, October 30, 2015
C1101 8pF
C0402
R1102
NC
R0402
R1103
510R
R0402
C1104
0.1uF
C0402
TP1
R2136
0R
R0402
C1100 0.1uF
C0402
TP4
C1105
0.1uF
C0402
TP7
C1103
0.1uF
C0402
R1100
1M
R0402
Y1100
24M-30ppm
CRY-D3225
XIN
1
GND
2
XOUT
3
GND
4
TP9
TP3
TP6
R1101 33R
R0402
TP8
U1000D
MCU_RK3288
NPOR
M27
CLKIN_32K
P25
OSC_XO
N28
OSC_XI
N27
GLOBAL_PWROFF/PMUGPIO0_A0_d
J28
DDRIO_PWROFF/PMUGPIO0_A1_d
J27
PUMIO_VDD
P20
PMU_VDD_1V0
M20
PMUGPIO0_A4_u
K28
PMUGPIO0_A5_u
L21
PMUGPIO0_A6_u
L22
PMUGPIO0_A7_u
L23
PMUGPIO0_B0_u
L24
PMUGPIO0_B1_u
L25
OTP_OUT/PMUGPIO0_B2_d
L26
PMUGPIO0_B3_d
L27
PMUGPIO0_B4_d
M28
CLK27M_IN/PMUGPIO0_B5_d
L28
PMUGPIO0_B6_d
M22
I2C0_SDA/PMUGPIO0_B7_u
M25
EFUSE_VQPS
P19
PLL_AVDD_1V0
P28
PLL_AVSS
P27
DDRIO_RETEN/PMUGPIO0_A2_u
J26
EFUSE_PWREN/PMUGPIO0_A3_u
K27
TEST
M26
I2C0_SCL/PMUGPIO0_C0_u
M21
TEST_CLKO/CLK_27M_T1/PMUGPIO0_C1_d
M23
PMUGPIO0_C2_u
M24
OSC_XVSS
P26C1102 8pF
C0402
5
5
4
4
3
3
2
2
1
1
D D
C C
B B
A A
RK3288_K
RK3288 DDR Channel-0
RK3288_L
RK3288 DDR Channel-1
www.9tripod.com
X3288CV2
DDR0_RETLE DDR1_RETLE
DDR0_RETLE DDR1_RETLEDDRIO_RETEN
VREF_DDR0
VCC_DDR
VCC_DDRC
VREF_DDR1
VCC_DDRC
VCC_DDR
VCC_DDRC
VCC_DDR
VREFAO_DDR1
VCC_DDR
VREFAO_DDR0
VCC_DDRC
VREFAO_DDR0 VREFAO_DDR1
VCC_DDRC VREF_DDR0 VCC_DDRC VREF_DDR1VCC_DDR VCC_DDR
DDR0_A0
DDR0_A1
DDR0_A2
DDR0_A3
DDR0_A4
DDR0_A5
DDR0_A6
DDR0_A7
DDR0_A8
DDR0_A10
DDR0_A9
DDR0_A11
DDR0_A12
DDR0_A13
DDR0_A14
DDR0_A15
DDR0_CLK
DDR0_CLKN
DDR0_BA0
DDR0_BA1
DDR0_BA2
DDR0_ODT0
DDR0_ODT1
DDR0_CS0N
DDR0_CS1N
DDR0_CKE0
DDR0_CKE1
DDR0_RASN
DDR0_CASN
DDR0_WEN
DDR0_DM0
DDR0_DM1
DDR0_DM2
DDR0_DM3
DDR0_DQS3M
DDR0_DQS3P
DDR0_DQS2M
DDR0_DQS2P
DDR0_DQS1M
DDR0_DQS1P
DDR0_DQS0M
DDR0_DQS0P
DDR0_D31
DDR0_D30
DDR0_D29
DDR0_D28
DDR0_D26
DDR0_D27
DDR0_D25
DDR0_D24
DDR0_D23
DDR0_D22
DDR0_D21
DDR0_D20
DDR0_D19
DDR0_D18
DDR0_D17
DDR0_D16
DDR0_D15
DDR0_D14
DDR0_D13
DDR0_D12
DDR0_D11
DDR0_D10
DDR0_D9
DDR0_D8
DDR0_D7
DDR0_D6
DDR0_D5
DDR0_D4
DDR0_D3
DDR0_D2
DDR0_D1
DDR0_D0
DDR0_RST
DDRIO_RETEN
DDR1_D6
DDR1_D5
DDR1_D4
DDR1_D3
DDR1_D2
DDR1_D1
DDR1_D0
DDR1_DM0
DDR1_DM1
DDR1_DM2
DDR1_DM3
DDR1_DQS3M
DDR1_DQS3P
DDR1_DQS2M
DDR1_DQS2P
DDR1_DQS1M
DDR1_DQS1P
DDR1_DQS0M
DDR1_DQS0P
DDR1_D31
DDR1_D30
DDR1_D29
DDR1_D28
DDR1_D26
DDR1_D27
DDR1_D25
DDR1_D24
DDR1_D23
DDR1_D22
DDR1_D21
DDR1_D20
DDR1_D19
DDR1_D18
DDR1_D17
DDR1_D16
DDR1_D15
DDR1_D14
DDR1_D13
DDR1_D12
DDR1_D11
DDR1_D10
DDR1_D9
DDR1_D8
DDR1_D7
DDR1_A0
DDR1_A3
DDR1_A2
DDR1_A1
DDR1_A4
DDR1_A6
DDR1_A5
DDR1_A7
DDR1_A8
DDR1_A10
DDR1_A9
DDR1_A11
DDR1_A12
DDR1_A13
DDR1_A14
DDR1_A15
DDR1_CLK
DDR1_CLKN
DDR1_BA0
DDR1_BA1
DDR1_BA2
DDR1_ODT0
DDR1_ODT1
DDR1_CS0N
DDR1_CS1N
DDR1_CKE0
DDR1_CKE1
DDR1_RASN
DDR1_CASN
DDR1_WEN
DDR1_RST
Title
Size Document Number Rev
Date: Sheet of
 A3
4 13Friday, October 30, 2015
R1215
10K
R0402
C1208
0.1uF
C0402
C1214
0.1uF
C0402
C1203
0.1uF
C0402
C1204
1nF
C0402
C1209
1nF
C0402
C1202
1nF
C0402
R1200
240R
R0402
R1214
10K
R0402
U1000K
MCU_RK3288
DDR0_DQ0
B19
DDR0_DQ1
C18
DDR0_DQ2
F17
DDR0_DQ3
F18
DDR0_DQ4
A19
DDR0_DQ5
E18
DDR0_DQ6
C20
DDR0_DQ7
D20
DDR0_DQ8
B5
DDR0_DQ9
A5
DDR0_DQ10
A3
DDR0_DQ11
C6
DDR0_DQ12
E8
DDR0_DQ13
A6
DDR0_DQ14
B6
DDR0_DQ15
F8
DDR0_DQ16
B15
DDR0_DQ17
A16
DDR0_DQ18
F15
DDR0_DQ19
B16
DDR0_DQ20
D17
DDR0_DQ21
B18
DDR0_DQ22
C17
DDR0_DQ23
A18
DDR0_DQ24
A2
DDR0_DQ25
A1
DDR0_DQ26
D5
DDR0_DQ27
E6
DDR0_DQ28
C5
DDR0_DQ29
F7
DDR0_DQ30
C4
DDR0_DQ31
E7
DDR0_DQS0
A20
DDR0_DQS0n
B20
DDR0_DQS1
B7
DDR0_DQS1n
A7
DDR0_DQS2
B17
DDR0_DQS2n
A17
DDR0_DQS3
B4
DDR0_DQS3n
A4
DDR0_DM0
E17
DDR0_DM1
F9
DDR0_DM2
A15
DDR0_DM3
B3
DDR0_PZQ
G17
DDR0_RETLE
G8
DDR0_ATO
G12
DDR0_DTO1
H15
DDR0_DTO0
H17
DDR0_A0
B10
DDR0_A1
C11
DDR0_A2
A10
DDR0_A3
E12
DDR0_A4
F12
DDR0_A5
B12
DDR0_A6
C12
DDR0_A7
A12
DDR0_A8
B13
DDR0_A9
A14
DDR0_A10
A13
DDR0_A11
D14
DDR0_A12
F14
DDR0_A13
C14
DDR0_A14
B14
DDR0_A15
C15
DDR0_CLK
B11
DDR0_CLKn
A11
DDR0_BA0
D8
DDR0_BA1
A9
DDR0_BA2
E11
DDR0_ODT0
E14
DDR0_ODT1
E15
DDR0_CSn0
B8
DDR0_CSn1
F11
DDR0_CKE0
C9
DDR0_CKE1
C8
DDR0_RASn
D11
DDR0_CASn
A8
DDR0_WEn
B9
DDR0_RESET
E9
DDR0_VREF
H12
DDR0_VREFAO
H11
NC1
G14
NC2
G15
NC3
G11
DDR0_VDD1
H9
DDR0_VDD2
J11
DDR0_VDD3
J12
DDR0_VDD4
J14
DDR0_VDD5
J15
DDR0_VDDAO
H14
R1208 1K
R0402
C1207
1nF
C0402
R1212 10K
R0402
R1211
1K
R0402
C1200
10uF
C0603
C1212
0.1uF
C0402
C1211 0.1uF
C0402
C1205
1uF
C0402
R1205 120K
R0402
U1000L
MCU_RK3288
DDR1_DQ0
W2
DDR1_DQ1
V3
DDR1_DQ2
Y1
DDR1_DQ3
U6
DDR1_DQ4
W1
DDR1_DQ5
Y2
DDR1_DQ6
V5
DDR1_DQ7
Y3
DDR1_DQ8
E2
DDR1_DQ9
E1
DDR1_DQ10
C1
DDR1_DQ11
F3
DDR1_DQ12
H5
DDR1_DQ13
H4
DDR1_DQ14
J5
DDR1_DQ15
J6
DDR1_DQ16
T2
DDR1_DQ17
R6
DDR1_DQ18
T1
DDR1_DQ19
R5
DDR1_DQ20
U4
DDR1_DQ21
V1
DDR1_DQ22
U3
DDR1_DQ23
V2
DDR1_DQ24
B1
DDR1_DQ25
B2
DDR1_DQ26
E4
DDR1_DQ27
G6
DDR1_DQ28
E3
DDR1_DQ29
F5
DDR1_DQ30
C2
DDR1_DQ31
H6
DDR1_DQS0
AA2
DDR1_DQS0n
AA1
DDR1_DQS1
G2
DDR1_DQS1n
G1
DDR1_DQS2
U2
DDR1_DQS2n
U1
DDR1_DQS3
D2
DDR1_DQS3n
D1
DDR1_DM0
U5
DDR1_DM1
G5
DDR1_DM2
R3
DDR1_DM3
D3
DDR1_PZQ
U7
DDR1_RETLE
H7
DDR1_ATO
M7
DDR1_DTO1
R8
DDR1_DTO0
U8
DDR1_A0
L3
DDR1_A1
K2
DDR1_A2
K1
DDR1_A3
M5
DDR1_A4
M6
DDR1_A5
M2
DDR1_A6
M1
DDR1_A7
M3
DDR1_A8
N1
DDR1_A9
P1
DDR1_A10
N2
DDR1_A11
P4
DDR1_A12
P6
DDR1_A13
P3
DDR1_A14
P2
DDR1_A15
R1
DDR1_CLK
L2
DDR1_CLKn
L1
DDR1_BA0
L4
DDR1_BA1
J1
DDR1_BA2
L5
DDR1_ODT0
P5
DDR1_ODT1
R2
DDR1_CSn0
H2
DDR1_CSn1
J3
DDR1_CKE0
F1
DDR1_CKE1
H3
DDR1_RASn
L6
DDR1_CASn
H1
DDR1_WEn
J2
DDR1_RESET
F2
DDR1_VREF
M8
DDR1_VREFAO
L8
NC4
P7
NC5
R7
NC6
L7
DDR1_VDD1
J8
DDR1_VDD2
L9
DDR1_VDD3
M9
DDR1_VDD4
P9
DDR1_VDD5
R9
DDR1_VDDAO
P8
R1213 10K
R0402
R1210
1K
R0402
C1201
0.1uF
C0402
R1201
240R
R0402
C1213
1nF
C0402
R1206 120K
R0402
C1215
1nF
C0402
C1210 0.1uF
C0402
R1209 1K
R0402
C1206
0.1uF
C0402
R1207 120K
R0402
R1204 120K
R0402
5
5
4
4
3
3
2
2
1
1
D D
C C
B B
A A
Note:VCC_FLASH (The supply may be 1.8V or3.0V,
     and must be connected to RK3288 FLASH_VDD).
www.9tripod.com
X3288CV2
VCCIO_FLASH
VCCIO_FLASH
VCCIO_FLASH
VCCIO_FLASH
VCC_IO
FLASH0_D0
FLASH0_D1
FLASH0_D2
FLASH0_D3
FLASH0_D4
FLASH0_D5
FLASH0_D6
FLASH0_D7
FLASH0_WP/EMMC_PWREN
FLASH0_CS2/EMMC_CMD
FLASH0_DQS/EMMC_CLKO
PHY_TXD2
PHY_TXD3
PHY_TXD0
PHY_TXD1
MAC_RXD1
MAC_RXD0
MAC_MDC
MAC_RXDV
PHY_TXEN
PHY_TXCLK
PHY_RST
MAC_RXCLK
MAC_CLK
MAC_RXD2
MAC_RXD3
MAC_MDIO
Title
Size Document Number Rev
Date: Sheet of
 A4
5 13Friday, October 30, 2015
U1000P
MCU_RK3288
FLASH0_D0/EMMC_D0/GPIO3_A0_u
AE3
FLASH0_D1/EMMC_D1/GPIO3_A1_u
AD3
FLASH0_D2/EMMC_D2/GPIO3_A2_u
AF3
FLASH0_D3/EMMC_D3/GPIO3_A3_u
AF1
FLASH0_D4/EMMC_D4/GPIO3_A4_u
AF2
FLASH0_D5/EMMC_D5/GPIO3_A5_u
AG3
FLASH0_D6/EMMC_D6/GPIO3_A6_u
AG1
FLASH0_D7/EMMC_D7/GPIO3_A7_u
AG2
FLASH0_RDY/GPIO3_B0_u
AH2
FLASH0_WP/EMMC_PWREN/GPIO3_B1_d
AH1
FLASH0_RDN/GPIO3_B2_u
Y6
FLASH0_ALE/GPIO3_B3_d
AF4
FLASH0_CLE/GPIO3_B4_d
AH3
FLASH0_WRN/GPIO3_B5_u
AG4
FLASH0_CSn0/GPIO3_B6_u
AC5
FLASH0_CSn1/GPIO3_B7_u
AD4
FLASH0_CSn2/EMMC_CMD/GPIO3_C0_u
AC4
FLASH0_CSn3/EMMC_RSTNOUT/GPIO3_C1_u
Y7
FLASH0_DQS/EMMC_CLKOUT/GPIO3_C2_d
AB6
FLASH0_VOLTAGE_SEL/GPIO3_C3_d
Y8
FLASH0_VDD
Y9
C1301
0.1uF
C0402
TP11
TP13
R4108
NC
U1000Q
MCU_RK3288
HOST_D15/MAC_TXCLK/SDIO1_PWREN/FLASH1_CSn2/GPIO4_B1_u
V7HOST_D14/MAC_COL/FLASH1_DQS/FLASH1_CSn3/GPIO4_B0_u
AA5HOST_D13/MAC_CRS/SDIO1_CLKOUT/FLASH1_CSn1/GPIO4_A7_u
AA6HOST_D12/MAC_RXCLK/SDIO1_CMD/FLASH1_CSn0/GPIO4_A6_u
AB5HOST_D11/MAC_MDIO/FLASH1_WRN/GPIO4_A5_u
Y5HOST_D10/MAC_TXEN/FLASH0_CSn7/FLASH1_CLE/GPIO4_A4_u
AD2HOST_D9/MAC_CLK/FLASH0_CSn6/FLASH1_ALE/GPIO4_A3_u
AE2HOST_D8/MAC_RXER/FLASH0_CSn5/FLASH1_RDN/GPIO4_A2_u
AE1HOST_CKOUTN/MAC_RXDV/FLASH0_CSn4/FLASH1_WP/GPIO4_A1_u
AC2HOST_CKOUTP/MAC_MDC/FLASH1_RDY/GPIO4_A0_u
AC3
HOST_D7/MAC_RXD1/SDIO1_INTn/FLASH1_D7/GPIO3_D7_u
AA4HOST_D6/MAC_RXD0/SDIO1_BKPWR/FLASH1_D6/GPIO3_D6_u
AA3HOST_D5/MAC_TXD1/SDIO1_WRPRT/FLASH1_D5/GPIO3_D5_u
AB2HOST_D4/MAC_TXD0/SDIO1_DET/FLASH1_D4/GPIO3_D4_u
AD1HOST_D3/MAC_RXD3/SDIO1_D3/FLASH1_D3/GPIO3_D3_u
AC1
FLASH1_VDD
V8
HOST_D2/MAC_RXD2/SDIO1_D2/FLASH1_D2/GPIO3_D2_u
AB1HOST_D1/MAC_TXD3/SDIO1_D1/FLASH1_D1/GPIO3_D1_u
V6HOST_D0/MAC_TXD2/SDIO1_D0/FLASH1_D0/GPIO3_D0_u
Y4
R1300 0R/NC
R0402
R4109
0R
TP12
C1300
0.1uF
C0402
5
5
4
4
3
3
2
2
1
1
D D
C C
B B
A A
www.9tripod.com
X3288CV2
VCCIO_PMU
VDD_10
VCC_18
VCCIO_PMUVCC_18VDD_10
VDD_10
VCC_18
OTG_DM
OTG_DP
OTG_ID
OTG_DET
HOST2_DP
HOST2_DM
HOST1_DM
HOST1_DP
Title
Size Document Number Rev
Date: Sheet of
 A4
6 13Friday, October 30, 2015
U1000U
MCU_RK3288
HSIC_STROBE
B27
HSIC_DATA
A27
HSIC_AVDD_1V2
H20
R1401 200R
R0402
C1402
0.1uF
C0402
R1403 100K
R1400 200R
R0402
U1000E
MCU_RK3288
OTG_DM
A26
OTG_DP
B26
OTG_VBUS
D23OTG_ID
C25
OTG_EXTR
D21
HOST1_DM
A23
HOST1_DP
B23
HOST2_EXTR
C21
USB_AVDD_1V0
G18
USB_AVDD_3V3
F20
HOST2_DM
A22
HOST2_DP
B22
USB_AVDD_1V8
E21
HOST1_EXTR
C23
USB_AVSS1
H18
USB_AVSS2
C24
USB_AVSS3
C26
USB_AVSS4
B21
C1400
0.1uF
C0402
C1401
0.1uF
C0402
R1402 200R
5
5
4
4
3
3
2
2
1
1
D D
C C
B B
A A
www.9tripod.com
X3288CV2
VCC_18
VCC_18
ADCIN1
Title
Size Document Number Rev
Date: Sheet of
 A4
7 13Friday, October 30, 2015
C1500
0.1uF
C0402
R187 10K
U1000T
MCU_RK3288
ADC_IN0
P24
RECOVER/ADC_IN1
P21
ADC_IN2
P23
ADC_AVDD_1V8
R20
5
5
4
4
3
3
2
2
1
1
D D
C C
B B
A A
www.9tripod.com
X3288CV2
VCC_IO
CIF_D2
CIF_D3
CIF_D4
CIF_D5
CIF_D6
CIF_D7
CIF_VSYNC
CIF_HREF
CIF_CLKI
CIF_CLKO
I2C3_SCL_CAM
I2C3_SDA_CAM
CIF_PDN0
CIF_PDN1
CIF_D0
CIF_D1
Title
Size Document Number Rev
Date: Sheet of
 A4
8 13Friday, October 30, 2015
R4112
0R
C1601
0.1uF
C0402
C1600
0.1uF
C0402
U1000W
MCU_RK3288
MIPI_RX_D0N
AH23MIPI_RX_D0P
AG23
MIPI_RX_D1N
AH24MIPI_RX_D1P
AG24
MIPI_RX_CLKN
AH25MIPI_RX_CLKP
AG25
MIPI_RX_D2N
AH26MIPI_RX_D2P
AG26
MIPI_RX_D3N
AH27MIPI_RX_D3P
AH28
MIPI_RX_REXT
AD21
MIPI_RX_AVDD_1V8
AC20
U1000C
MCU_RK3288
HOST_WKREQ/TS_FAIL/CIF_CLKOUT/GPIO2_B3_d
R22
HOST_D1/TS_D1/CIF_D3/GPIO2_A1_d
Y21
HOST_D2/TS_D2/CIF_D4/GPIO2_A2_d
Y22
HOST_D3/TS_D3/CIF_D5/GPIO2_A3_d
V21
HOST_CKINP/TS_D4/CIF_D6/GPIO2_A4_d
U22
HOST_CKINN/TS_D5/CIF_D7/GPIO2_A5_d
U21
HOST_D4/TS_D6/CIF_D8/GPIO2_A6_d
U23
HOST_D5/TS_D7/CIF_D9/GPIO2_A7_d
V23
HOST_D6/TS_SYNC/CIF_VSYNC/GPIO2_B0_d
R25
HOST_D7/TS_VALID/CIF_HREF/GPIO2_B1_d
R28
HOST_D0/TS_D0/CIF_D2/GPIO2_A0_d
Y23
HOST_WKACK/GPS_CLK/TS_CLKOUT/CIF_CLKIN/GPIO2_B2_d
V22
CIF_D0/GPIO2_B4_d
R27
CIF_D1/GPIO2_B5_d
R26
I2C3_SDA/GPIO2_C1_u
R23I2C3_SCL/GPIO2_C0_u
P22
DVPIO_VDD
U20
CIF_D11/GPIO2_B7_d
R21CIF_D10/GPIO2_B6_d
R24
5
5
4
4
3
3
2
2
1
1
D D
C C
B B
A A
Note:Placed close to 
the transmitter side
www.9tripod.com
X3288CV2
VCC18_LCD
VCC18_LCD
VDD10_LCD
VCC_LCD
VCC18_LCD
VDD10_LCD
VCC18_LCD
VDD10_LCD VCC18_LCD
VDD10_LCD
VCC18_LCD
MIPI_TX/RX_D1N
MIPI_TX/RX_CLKN
MIPI_TX/RX_D0N
MIPI_TX/RX_D0P
MIPI_TX/RX_CLKP
MIPI_TX/RX_D1P
MIPI_TX/RX_D3P
MIPI_TX/RX_D2P
MIPI_TX/RX_D2N
MIPI_TX/RX_D3N
MIPI_TX_CLKN
MIPI_TX_D0N
MIPI_TX_D2N
MIPI_TX_D1P
MIPI_TX_D3N
MIPI_TX_D3P
MIPI_TX_D1N
MIPI_TX_D2P
MIPI_TX_D0P
MIPI_TX_CLKP
HDMI_TXCP
HDMI_TXCN
HDMI_TX0P
HDMI_TX0N
HDMI_TX1P
HDMI_TX1N
HDMI_TX2P
HDMI_TX2N
HDMI_HPD
LVDS_D0P
LVDS_D0N
LVDS_D1P
LVDS_D2P
LVDS_D1N
LVDS_D2N
LVDS_D3P
LVDS_D3N
LVDS_CLK0P
LVDS_CLK0N
LVDS_D4P
LVDS_D4N
LVDS_D9P
LVDS_D9N
LVDS_D5N
LVDS_D5P
LVDS_D7P
LVDS_D6P
LVDS_D7N
LVDS_D6N
LVDS_D8P
LVDS_CLK1P
LVDS_D8N
LVDS_CLK1N
LCDC0_VSYNC
LCDC0_HSYNC
LCDC0_DEN
LCDC0_DCLK
Title
Size Document Number Rev
Date: Sheet of
 A3
9 13Saturday, October 31, 2015
R1700 1.62K%1
R0402
U1000V
MCU_RK3288
MIPI_TX_D0N
AG28MIPI_TX_D0P
AG27
MIPI_TX_D1N
AF28MIPI_TX_D1P
AF27
MIPI_TX_CLKN
AE28MIPI_TX_CLKP
AE27
MIPI_TX_D2N
AD28MIPI_TX_D2P
AD27
MIPI_TX_D3N
AC28MIPI_TX_D3P
AC27
MIPI_TX_REXT
AE26
MIPI_TX_AVDD_1V8
AC22
C1703
10uF
C0603
C1702
0.1uF
C0402R1701 4.02K%1
R0402
C1707
0.1uF
C0402
C1708
0.1uF
C0402
C1704
0.1uF
C0402
R1704 4.02K
R0402
C1706
0.1uF
C0402
R1702 2K%1
R0402
U1000O
MCU_RK3288
HDMI_TX2P
AG22
HDMI_TX2N
AH22
HDMI_TX1N
AH21
HDMI_TX0P
AG20
HDMI_TX1P
AG21HDMI_TX0N
AH20
HDMI_TXCN
AH19HDMI_TXCP
AG19
HDMI_AVDD_1V8
AB20HDMI_AVDD_1V0
AA18
HDMI_EXTR
AB17
HDMI_HPD_d
AB18
AVSS1
AF14
AVSS2
AF15
AVSS3
AF17
AVSS4
AF18
AVSS5
AD20
AVSS6
AD23
AVSS7
AD26
AVSS8
AF26
C1705
1uF
C0402
U1000N
MCU_RK3288
eDP_TP_OUT
AA12
eDP_CLK24M_IN
AC17
eDP_AXUN
AH18eDP_AXUP
AG18
eDP_TX3N
AH17eDP_TX3P
AG17
eDP_TX2N
AH16eDP_TX2P
AG16
eDP_TX1N
AH15eDP_TX1P
AG15
eDP_TX0N
AH14eDP_TX0P
AG14
eDP_EXTR
AC18
eDP_AVDD_1V0
Y17
eDP_AVDD_1V8
AA17
LCDC domain
LVDS domain
U1000A
MCU_RK3288
LCDC0_DCLK/GPIO1_D3_d
AA24LCDC0_DEN/GPIO1_D2_d
AA22
LCDC0_HSYNC/GPIO1_D0_d
AA23
LCDC0_VSYNC/GPIO1_D1_d
AB24
TRACE_D0/LCDC0_D0/LVDS_D0P
T27
TRACE_D1/LCDC0_D1/LVDS_D0N
T28
TRACE_D2/LCDC0_D2/LVDS_D1P
U27
TRACE_D3/LCDC0_D3/LVDS_D1N
U28
TRACE_D10/LCDC0_D10/LVDS_CLK0P
V27
TRACE_D11/LCDC0_D11/LVDS_CLK0N
V28
TRACE_D4/LCDC0_D4/LVDS_D2P
W27
TRACE_D5/LCDC0_D5/LVDS_D2N
W28
TRACE_D7/LCDC0_D7/LVDS_D3N
Y28TRACE_D6/LCDC0_D6/LVDS_D3P
Y27
TRACE_D8/LCDC0_D8/LVDS_D4P
AA27
TRACE_D9/LCDC0_D9/LVDS_D4N
AA28
TRACE_D12/LCDC0_D12/LVDS_D5P
U25
TRACE_D13/LCDC0_D13/LVDS_D5N
U26
TRACE_D14/LCDC0_D14/LVDS_D6P
V25
TRACE_D15/LCDC0_D15/LVDS_D6N
V26
LCDC0_D22/LVDS_CLK1P
Y25
LCDC0_D23/LVDS_CLK1N
Y26
TRACE_CLK/LCDC0_D16/LVDS_D7P
AA25
TRACE_CTL/LCDC0_D17/LVDS_D7N
AA26
LCDC0_D18/LVDS_D8P
AB27
LCDC0_D19/LVDS_D8N
AB28
LCDC0_D20/LVDS_D9P
AC25
LCDC0_D21/LVDS_D9N
AC26
LVDS_AVDD_1V8
AB21
LVDS_AVDD_3V3
AB23
LVDS_AVDD_1V0
AA20
LVDS_EXTR
V24
C1701
10uF
C0603
U1000X
MCU_RK3288
MIPI_TX/RX_D0N
AF20MIPI_TX/RX_D0P
AE20
MIPI_TX/RX_D1N
AF21MIPI_TX/RX_D1P
AE21
MIPI_TX/RX_CLKN
AF23MIPI_TX/RX_CLKP
AE23
MIPI_TX/RX_D2N
AF24MIPI_TX/RX_D2P
AE24
MIPI_TX/RX_D3N
AD25MIPI_TX/RX_D3P
AF25
MIPI_TX/RX_REXT
AD22
MIPI_TX/RX_AVDD_1V8
AC21
C1700
0.1uF
C0402
T1714 TEST
R1703 0R
R0402
5
5
4
4
3
3
2
2
1
1
E E
D D
C C
B B
A Awww.9tripod.com
X3288CV2
VCCIO_PMU
VCC_IO
VCCA_CODEC
VCC_WL
VCCIO_SD
VCC_IO
VCC_IO
VCC_IO
VCC_IO
TOUCH_INT
I2C5_SDA_HDMI
I2C4_SDA_TP
LCDC_BL
I2C5_SCL_HDMI
I2C4_SCL_TP
BL_EN
GYR_INT
LIGHT_INT
COMP_INT
GSEN_INT
I2C1_SCL_Sensor
I2C1_SDA_Sensor
TOUCH_RST
GPIO7_A3_D
SPK_CTL
SDMMC_D0
SDMMC_D1
SDMMC_D2
SDMMC_D3
SDMMC_CLK
SDMMC_CMD
SDMMC_DET
I2S0_SCLK
I2S0_LRCK_RX
I2S0_LRCK_TX
I2S0_SDO0
I2S0_CLK
I2C2_SDA_AUDIO
I2C2_SCL_AUDIO
I2S0_SDI
UART0_RXD
WIFI_REG_ON
WIFI_CLK
WIFI_CMD
WIFI_D3
WIFI_D2
WIFI_D1
WIFI_D0
HP_DET
UART1_TX
UART1_RX
HDMI_CEC
UART3_TXD
IR
SDMMC_PWR
UART3_RXD
UART2_TXD
UART2_RXD
UART4_TXD
UART4_RXD
GPIO7_A5_D
BT_WAKE
BT_HOST_WAKE
BT_RST
WIFI_HOST_WAKE
UART0_RTS
UART0_CTS
UART0_TXD
3G_WAK_IN
3G_REG_ON
3G_WA_OUT
3G_GPIO1
Title
Size Document Number Rev
Date: Sheet of
 A4
10 13Friday, October 30, 2015
U1000J
MCU_RK3288
UART1_RX/TS0_D0/GPIO5_B0_u
AF5
UART1_TX/TS0_D1/GPIO5_B1_d
AA7
UART1_CTSn/TS0_D2/GPIO5_B2_u
AH4
UART1_RTSn/TS0_D3/GPIO5_B3_u
AD6
SPI0_CLK/UART4_CTSn/TS0_D4/GPIO5_B4_u
AD7
SPI0_CSn0/UART4_RTSn/TS0_D5/GPIO5_B5_u
AC7
SPI0_TXD/UART4_TX/TS0_D6/GPIO5_B6_d
AE5
SPI0_RXD/UART4_RX/TS0_D7/GPIO5_B7_u
AF6
SPI0_CSn1/TS0_SYNC/GPIO5_C0_u
AG5
TS0_VALID/GPIO5_C1_d
AA9
TS0_CLK/GPIO5_C2_d
AE6
TS0_ERR/GPIO5_C3_d
AB8
APIO5_VDD
Y11
R4115
0R
R4113
0R
U1000F
MCU_RK3288
PWM0/GPIO7_A0_d
H22
PWM1/GPIO7_A1_d
G23
GPIO7_A2_d
D28
GPIO7_A3_d
F25
GPIO7_A4_u
E26
GPIO7_A5_d
G24
GPIO7_A6_u
F26
GPS_MAG/HSADC_D0_T1/UART3_RX/GPIO7_A7_u
E27
GPS_SIG/HSADC_D1_T1/UART3_TX/GPIO7_B0_d
J21
GPS_RFCLK/GPS_CLK_T1/UART3_CTSn/GPIO7_B1_u
H23
UART3_RTSn/GPIO7_B2_u
F27
eDP_HOTPLUG/GPIO7_B3_d
E28
ISP_SHUTTEREN/SPI1_CLK/GPIO7_B4_d
J22
ISP_FLASHTRIGOUT/SPI1_CSN0/GPIO7_B5_u
H24
ISP_PRELIGHTTRIG/SPI1_RXD/GPIO7_B6_d
F28
ISP_SHUTTERTRIG/SPI1_TXD/GPIO7_B7_d
G27
ISP_FLASHTRIGIN/EDPHDMI_CEC_T1/GPIO7_C0_u
G28
I2C4_SDA/GPIO7_C1_u
H25
I2C4_SCL/GPIO7_C2_u
J23
I2C5_SDA/EDPHDMI_I2C_SDA/GPIO7_C3_u
H26
I2C5_SCL/EDPHDMI_I2C_SCL/GPIO7_C4_u
J24
GPIO7_C5_d
H27
UART2_RX/IR_RX/PWM2/GPIO7_C6_u
J25
UART2_TX/IR_TX/PWM3/EDPHDMI_CEC/GPIO7_C7_u
H28
APIO1_VDD
L20
U1000H
MCU_RK3288
UART0_RXD/GPIO4_C0_u
AH11
UART0_TXD/GPIO4_C1_d
AG10
UART0_CTSn/GPIO4_C2_u
AB12
UART0_RTSn/GPIO4_C3_u
AB11
SDIO0_CLKOUT/GPIO4_D1_d
AG8
SDIO0_D0/GPIO4_C4_u
AH9
SDIO0_D1/GPIO4_C5_u
AH10
SDIO0_D2/GPIO4_C6_u
AG9
SDIO0_D3/GPIO4_C7_u
AH7
SDIO0_CMD/GPIO4_D0_u
AH8
SDIO0_DET/GPIO4_D2_u
AF9
SDIO0_WP/GPIO4_D3_d
AE9
SDIO0_PWR/GPIO4_D4_d
AC11
SDIO0_BKPWR/GPIO4_D5_d
AF8
SDIO0_INTn/GPIO4_D6_u
AE8
APIO3_VDD
AA11
GPIO4_D7_u
AD9
U1000G
MCU_RK3288
BS_JTAG_TMS
G20
BS_JTAG_TDI
F21
BS_JTAG_TRSTn
E22
BS_JTAG_TCK
E23
BS_JTAG_TDO
F22
PS2_CLK/GPIO8_A0_u
D24
PS2_DATA/GPIO8_A1_u
C27
SC_DET/GPIO8_A2_u
G21
SPI2_CSn1/SC_IO/GPIO8_A3_u
B28
I2C1_SDA/SC_RST/GPIO8_A4_u
A28
I2C1_SCL/SC_CLK/GPIO8_A5_u
E25
SPI2_CLK/SC_IO_T1/GPIO8_A6_d
D26
SPI2_CSn0/SC_DET_T1/GPIO8_A7_u
D27
SPI2_RXD/SC_RST_T1/GPIO8_B0_d
F24
SPI2_TXD/SC_CLK_T1/GPIO8_B1_d
C28
APIO2_VDD
J20
R4114
NC
C1802
0.1uF
C0402
C1803
0.1uF
C0402
C1805
10uF
C0603
U1000B
MCU_RK3288
JTAG_TMS/SDMMC0_D0/GPIO6_C0_u
AG7
JTAG_TRSTN/SDMMC0_D1/GPIO6_C1_u
AH6
JTAG_TDI/SDMMC0_D2/GPIO6_C2_u
AD8
JTAG_TCK/SDMMC0_D3/GPIO6_C3_u
AB9
JTAG_TDO/SDMMC0_CLKOUT/GPIO6_C4_d
AG6
SDMMC0_CMD/GPIO6_C5_u
AC8
SDMMC0_DET/GPIO6_C6_u
AH5
SDMMC0_VDD
AC9
R4111
0R
C1804
0.1uF
C0402
C1800
0.1uF
C0402
U1000I
MCU_RK3288
I2S_SCLK/GPIO6_A0_d
AD11
I2S_LRCK_RX/GPIO6_A1_d
AG11
I2S_LRCK_TX/GPIO6_A2_d
AF11
I2S_SDI/GPIO6_A3_d
AE11
I2S_SDO0/GPIO6_A4_d
AG12
I2S_SDO1/GPIO6_A5_d
AH13
I2S_SDO2/GPIO6_A6_d
AG13
I2S_SDO3/GPIO6_A7_d
AH12
I2S_CLK/GPIO6_B0_d
AC12
SPDIF_TX/GPIO6_B3_d
AE12
APIO4_VDD
Y12
I2C2_SCL/GPIO6_B2_u
AD12I2C2_SDA/GPIO6_B1_u
AF12
R4110
NC
R4117
NC
C1801
0.1uF
C0402
R4116
0R
5
5
4
4
3
3
2
2
1
1
D D
C C
B B
A A
R2414 Close to R2413
solt:9
3.3V
3.3V
3.0V
3.0V
3.3V
3.3V
1.8V
DCDC1
VDD_ARM
TIMER
(2mS)
  PMU
ChannelPowerName
VCCIO_LCD
VCC_DDR
VCC_IO
VCC_LOG
VDD_GPU
VCCA_CODEC
VCCA_TP
VCC_SD
VCC_18
VDD_10
VCC_PMUIO
VCCIO_WL
VCC18_LCD
VDD10_LCD
DCDC3
DCDC2
ExDCDC2
DCDC4
ExDCDC1
VOUT2
VOUT3
VOUT4
VOUT10
VOUT9
VOUT1
OutPut
voltage
VOUT6
VOUT8
VOUT7
solt:4
solt:9
solt:2
solt:8
2.0V
1.0V
solt:5
solt:3
solt:6
solt:1
solt:7
solt:0
1.8V
1.0V
1.2V
1.0V
3.3V
VOUT5
1.0V
DCDC5
VCC_20
OFF
OFF
OFF
OFF
OFF
OFF
VCCIO_SD
1.8V
1.0V
RESET solt:15+32mS
VDD_CPU、VDD_GPU SYSTEM POWER
www.9tripod.com
X3288CV2
PMIC_PWRON
RTC_CLKOUT RTC_CLKOUT2
RTC_CLKOUT1
RTC_CLKOUT
PMIC_PWROFF
PMIC_PWRON
VDD_GPU_EN
VDD_CPU_EN
PMIC_SLEEP
NTC
I2C0_SDA_PMIC
I2C0_SCL_PMIC
I2C0_SCL_PMIC
I2C0_SDA_PMIC
VCC_DDR
I2C0_SCL_PMIC
PMIC_SLEEP
VDD_CPU_FB
I2C0_SDA_PMIC
VDD_CPU_EN
VDD_GPU_EN
VDD_GPU_FB
I2C0_SCL_PMIC
I2C0_SDA_PMIC
PMIC_SLEEP
VCC_SYS
VCC+5V
VCC_20
VDD_LOG
VCC_DDR
VCC_BAT-
VCC_BAT+
VDD10_LCD
VCC_18
VCCIO_PMU
VCC_LCD
VCC_SYS
VCCIO_PMU
VCC_IO
VCC_SYS
VCCIO_PMU
VCC_SYS
VCC_SYS
VCC_SYS
VCC_SD
VCC_SYS
VCC_SYS
VCC_20
VCC_RTC
VCC_IO
VCC_SYS
VDD_10
VCCA_CODEC
VCCIO_PMU
VCC_IO
VCC18_LCD
VCCIO_SD
VCC_WL
VCC_SYS VDD_CPU
VCC_SYS VDD_GPU
VCC50_USB
RTC_CLKOUT2
VDD_CPU_FB
I2C0_SCL_PMIC
I2C0_SDA_PMIC
RTC_CLKOUT1
PMIC_SLEEP
VDD_GPU_FB
DDRIO_PWROFF
RESET
PMIC_PWRON
CHG_DET
RESET
PMIC_INT
Title
Size Document Number Rev
Date: Sheet of
 A2
11 13Friday, October 30, 2015
C2132
22uF
C0805
C2128
22uF
C0805
C2139 1uF
C0402
R2118 NC
R0402
R2107 5K1
R0402
C2147 1uF
C0402
L2105
0.22uH/5A
IND-5X5
C2124 22uF
C0805
C2156
1uF
C0402
R2134 1K5
200mA
200mA
300mA
300mA
200mA
200mA
300mA
300mA
300mA
300mA
DCDC5
DCDC4
DCDC3
DCDC2
DCDC1
LDORTC1
10mA
LDORTC2
10mA
2.7V-5.5V
1.7V-5.5V
1.7V-5.5V
2.7V-5.5V
2.7V-5.5V
2.7V-5.5V
2.7V-5.5V
2.7V-5.5V
2.7V-5.5V
4.5V-5.5V
4.5V-5.5V
MAX<7V
U2103
BGA0608-80
RC5T620-1017
VADP2
A1 VADP1
B1
GNDADP1
C1
VADPA
D1
VINP4
E1
LX4
F1
GNDP4
G1
GNDP5
H1
LX5
J1NC
K1
CHG_LX2
A2
GNDUSB
B2
GNDADP2
C2
VCHGREGA
D2
VFB4
E2
GPIO4
F2
VFB5
G2
GPIO3
H2
INTB
J2
VINP5
K2
CHG_LX1
A3
GNDUSBA
B3
VUSBA
C3
ICM
D3
ICP
E3
GNDA
F3
VINL4
G3
VOUT9
H3
VOUT10
J3
VOUT6
K3
VUSB
A4
VCHGREGD
B4
ILP
C4
GNDAD
D4
PWRON
E4
SLEEP
F4
VINL3
G4
VOUT1
H4
VOUT4
J4
VOUT3
K4
VSYS1
A5
VSYS2
B5
ILM
C5
THERMBAT
D5
RTCOUT/GPIO1
E5
RESETO
F5
VINL1
G5
VINL2
H5
VOUT2
J5
VOUT5
K5
VBAT1
A6
VBAT2
B6
VFB1
C6
CharerLED/GPIO0
D6
SDA
E6
VDDIO
F6
GPIO2
G6
VOUT7
H6
DM
J6
DP
K6
VINP1
A7
GNDP1
B7
VFB2
C7
VFB3
D7
SCL
E7
GNDD
F7
C32KOUT
G7
VREF
H7
VSB
J7
VOUT8
K7
LX1
A8
VINP2
B8
LX2
C8
GNDP2
D8
GNDP3
E8
LX3
F8
VINP3
G8
XOUT
H8
XIN
J8
TESTEN
K8
C2134 1uF
C0402
C2129
0.1uF
C0402
C2144 0.1uF
C0402
C2140 1uF
C0402
C2104 10uF
C0603
R2133 1K5
C2138 10uF
C0603
R2131
0R
R0402
R2116 4.99K
R0402
C2122
22uF
C0805
C2143 4.7uF
C0603
C2142 4.7uF
C0603
C2130 4.7uF
C0603
L2100
SWPA3015S1R0NT/1.5A
L/IND/SMD/2520
C2108 10uF
C0603
C2117 22uF C0805
R2128 0R
R0402
R2115 20K
R0402
C2103 10uF
C0603
L2106
SWPA3015S1R0NT/1.5A
L/IND/SMD/2520
C2141 1uF
C0402
R2127 10K
R0402
R2112 100R
R0402
C2112 10uF
C0603
R2132 10K
R0402
C2121
22uF
C0805
L2101
SWPA3015S1R0NT/1.5A
L/IND/SMD/2520
C2105
10uF
C0603
L2107
SWPA4020S1R0NT/3A
L-3D16
C2118
22uF
C0805
C2125
22uF
C0805
C2127
22uF
C0805
R2109 100R
R0402
L2102
0.22uH/5A
IND-5X5
R2135 10K
R0402
U2101
SYR827
VIN
D1
VIN
D2
VIN
E1
VIN
E2
SW
D3
SW
D4
SW
E3
SW
E4
GND
B2
GND
B3
GND
C1
GND
C2
GND
C3
GND
C4
VSEL
A1
EN
A2
SDA
B1
AGND
B4
SCL
A3
VOUT
A4 R2108 100R
R0402
C2137 1uF
C0402
C2126
0.1uF
C0402
C2119
22uF
C0805
C2133 1uF
C0402
R2110 100R
R0402
R2130
10K
R0402
C2145 1uF
C0402
C2160
0.1uF
C0402
C2111 10uF
C0603
R2139
0R
R0402
R2120
20mR
R1206
C2114 10uF
C0603
C2146
100pF/NC
C0402
C2158 0.1uF
C0402
C2136 22uF
C1206
C2150 1uF
C0402
C2131 4.7uF
C0603
C2135 1uF
C0402
R2126
0R
R0402
R2113
5K1
R0402
U2102
SYR828
VIN
D1
VIN
D2
VIN
E1
VIN
E2
SW
D3
SW
D4
SW
E3
SW
E4
GND
B2
GND
B3
GND
C1
GND
C2
GND
C3
GND
C4
VSEL
A1
EN
A2
SDA
B1
AGND
B4
SCL
A3
VOUT
A4
C2113 10uF
C0603
C2151
12pF
C0402
R2114
100R
R0402
R2117
20mR
R1206
C2149 12pF
C0402Y2100
32.768K
CRY_MC146
L2103
SWPA3015S1R0NT/1.5A
L/IND/SMD/2520
C2107 10uF
C0603
C2109
10uF
C0603
R2119
10K
R0402
5
5
4
4
3
3
2
2
1
1
D D
C C
B B
A A
DDR0 FILTER DDR1 FILTER
DDR3 Channel-0 DDR3 Channel-1
www.9tripod.com
X3288CV2
DDR0_CS1N
DDR0_CKE1
DDR0_ODT1
DDR0_A15
DDR1_RST
DDR1_ODT1
DDR1_CS1N
DDR1_CKE1
DDR1_A15
DDR0_CLKNDDR0_CLK DDR1_CLK DDR1_CLKN
VCC_DDR
VCC_DDR
VREFAO_DDR0
VCC_DDR
VREFAO_DDR0
VCC_DDR
VREFAO_DDR1
VCC_DDR
VREFAO_DDR1
VCC_DDR
VREFAO_DDR0 VREFAO_DDR1
VCC_DDRCVCC_DDR
DDR0_CKE0
DDR0_CS0N
DDR0_ODT0
DDR0_RASN
DDR0_CASN
DDR0_WEN
DDR0_RST
DDR0_D4
DDR0_D3
DDR0_D5
DDR0_D6
DDR0_D0
DDR0_D2
DDR0_D7
DDR0_D22
DDR0_D16
DDR0_D23
DDR0_D17
DDR0_D20
DDR0_D21
DDR0_D19
DDR0_D1
DDR0_D18
DDR0_A2
DDR0_A1
DDR0_A0
DDR0_A4
DDR0_A3
DDR0_A7
DDR0_A6
DDR0_A5
DDR0_A10
DDR0_A9
DDR0_A8
DDR0_A12
DDR0_A11
DDR0_A14
DDR0_A13
DDR0_BA0
DDR0_CLK
DDR0_BA2
DDR0_BA1
DDR0_CLKN
DDR0_DM1
DDR0_DQS1M
DDR0_DQS1P
DDR0_DM3
DDR0_DQS3M
DDR0_DQS3P
DDR0_D13
DDR0_D11
DDR0_D12
DDR0_D8
DDR0_D10
DDR0_D15
DDR0_D9
DDR0_D14
DDR0_D30
DDR0_D24
DDR0_D27
DDR0_D26
DDR0_D25
DDR0_D28
DDR0_D31
DDR0_D29
DDR0_CKE0
DDR0_CS0N
DDR0_ODT0
DDR0_RASN
DDR0_CASN
DDR0_WEN
DDR0_A2
DDR0_A3
DDR0_A4
DDR0_A0
DDR0_A1
DDR0_A10
DDR0_A5
DDR0_A6
DDR0_A7
DDR0_A11
DDR0_A12
DDR0_A8
DDR0_A9
DDR0_A13
DDR0_A14
DDR0_BA2
DDR0_CLK
DDR0_BA0
DDR0_CLKN
DDR0_BA1
DDR0_DM2
DDR0_DM0
DDR0_DQS0M
DDR0_DQS0P
DDR0_DQS2M
DDR0_DQS2P
DDR1_D0
DDR1_D7
DDR1_D2
DDR1_D6
DDR1_D4
DDR1_D5
DDR1_D1
DDR1_D3
DDR1_D18
DDR1_D17
DDR1_D20
DDR1_D21
DDR1_D19
DDR1_D22
DDR1_D16
DDR1_D23
DDR1_CKE0
DDR1_CS0N
DDR1_ODT0
DDR1_RASN
DDR1_CASN
DDR1_WEN
DDR1_A2
DDR1_A3
DDR1_A4
DDR1_A0
DDR1_A1
DDR1_A10
DDR1_A5
DDR1_A6
DDR1_A7
DDR1_A11
DDR1_A12
DDR1_A8
DDR1_A9
DDR1_A13
DDR1_A14
DDR1_BA2
DDR1_CLK
DDR1_BA0
DDR1_CLKN
DDR1_BA1
DDR1_DQS0M
DDR1_DM0
DDR1_DQS2P
DDR1_DQS2M
DDR1_DM2
DDR1_DQS0P
DDR1_A4
DDR1_A3
DDR1_A2
DDR1_A5
DDR1_A10
DDR1_A1
DDR1_A0
DDR1_A12
DDR1_A11
DDR1_A7
DDR1_A6
DDR1_A14
DDR1_A13
DDR1_A9
DDR1_A8
DDR1_CLKN
DDR1_BA0
DDR1_CLK
DDR1_BA2
DDR1_DQS3P
DDR1_DM1
DDR1_DQS1M
DDR1_BA1
DDR1_DQS1P
DDR1_DM3
DDR1_DQS3M
DDR1_D10
DDR1_D11
DDR1_D12
DDR1_D13
DDR1_D9
DDR1_D14
DDR1_D15
DDR1_D8
DDR1_D26
DDR1_D27
DDR1_D24
DDR1_D30
DDR1_D29
DDR1_D31
DDR1_D28
DDR1_D25
DDR1_RASN
DDR1_ODT0
DDR1_CS0N
DDR1_CKE0
DDR1_WEN
DDR1_CASN
DDR0_RST
DDR0_ODT1
DDR0_CKE1
DDR0_CS1N
DDR0_A15
DDR1_RST
DDR1_ODT1
DDR1_CKE1
DDR1_CS1N
DDR1_A15
DDRIO_PWROFF
Title
Size Document Number Rev
Date: Sheet of
 Custom
12 13Saturday, October 31, 2015
U3003
DDR3-512MB
DQ0
E3
DQ1
F7
DQ2
F2
DQ3
F8
DQ4
H3
DQ5
H8
DQ6
G2
DQ7
H7
DQ8
D7
DQ9
C3
DQ10
C8
DQ11
C2
DQ12
A7
DQ13
A2
DQ14
B8
DQ15
A3
CKE0
K9
CS#0
L2
ODT0
K1
RAS#
J3
CAS#
K3
WE#
L3
VDD
B2
VDD
D9
VDD
G7
VDD
K2
VDD
K8
VDDQ
A1
VDDQ
A8
ODT1
J1
CKE1
J9
A0
N3
A1
P7
A2
P3
A3
N2
A4
P8
A5
P2
A6
R8
A7
R2
A8
T8
A9
R3
A10/AP
L7
A11
R7
A12/BC#
N7
A13
T3
BA0
M2
BA1
N8
BA2
M3
CK
J7
CK#
K7
LDM
E7
UDM
D3
LDQS
F3
LDQS#
G3
UDQS
C7
UDQS#
B7
VSSQ
B1
VSSQ
B9
VSS
A9
VSS
B3
VREFDQ
H1
VSS
G8
VSS
J2
VSS
E1
VSS
J8
VSS
M1
VSS
M9
VSS
P1
VSS
P9
VSS
T1
VSS
T9
VSSQ
D1
VSSQ
D8
VSSQ
E2
VSSQ
E8
VSSQ
F9
VSSQ
G1
VSSQ
G9
VDDQ
C1
VDDQ
C9
VDDQ
D2
VDDQ
E9
VDDQ
F1
VDD
N1
VDD
N9
VDD
R1
VDD
R9
CS#1
L1
ZQ1
L9
ZQ0
L8
A15
M7
VREFCA
M8
RESET#
T2
A14
T7
VDDQ
H2
VDDQ
H9
C3002
1uF
C0402
C3001
10uF
C0603
U3001
DDR3-512MB
DQ0
E3
DQ1
F7
DQ2
F2
DQ3
F8
DQ4
H3
DQ5
H8
DQ6
G2
DQ7
H7
DQ8
D7
DQ9
C3
DQ10
C8
DQ11
C2
DQ12
A7
DQ13
A2
DQ14
B8
DQ15
A3
CKE0
K9
CS#0
L2
ODT0
K1
RAS#
J3
CAS#
K3
WE#
L3
VDD
B2
VDD
D9
VDD
G7
VDD
K2
VDD
K8
VDDQ
A1
VDDQ
A8
ODT1
J1
CKE1
J9
A0
N3
A1
P7
A2
P3
A3
N2
A4
P8
A5
P2
A6
R8
A7
R2
A8
T8
A9
R3
A10/AP
L7
A11
R7
A12/BC#
N7
A13
T3
BA0
M2
BA1
N8
BA2
M3
CK
J7
CK#
K7
LDM
E7
UDM
D3
LDQS
F3
LDQS#
G3
UDQS
C7
UDQS#
B7
VSSQ
B1
VSSQ
B9
VSS
A9
VSS
B3
VREFDQ
H1
VSS
G8
VSS
J2
VSS
E1
VSS
J8
VSS
M1
VSS
M9
VSS
P1
VSS
P9
VSS
T1
VSS
T9
VSSQ
D1
VSSQ
D8
VSSQ
E2
VSSQ
E8
VSSQ
F9
VSSQ
G1
VSSQ
G9
VDDQ
C1
VDDQ
C9
VDDQ
D2
VDDQ
E9
VDDQ
F1
VDD
N1
VDD
N9
VDD
R1
VDD
R9
CS#1
L1
ZQ1
L9
ZQ0
L8
A15
M7
VREFCA
M8
RESET#
T2
A14
T7
VDDQ
H2
VDDQ
H9
C3021
0.1uF
C0402
C3010
0.1uF
C0402
C3007
0.1uF
C0402
R3002
240R
R0402
C3004
0.1uF
C0402
C3012
22uF
C0805
R3007
NC/240R
R0402
C3030
1nF
C0402
C3020
0.1uF
C0402
C3024
10uF
C0603
C3005
0.1uF
C0402
R3009 100R
R0402
C3006
0.1uF
C0402
C3032
100pF
C0402
C3009
0.1uF
C0402
C3025
0.1uF
C0402
C3017
0.1uF
C0402
R3000 240R
R0402
C3029
1nF
C0402
C3027
1nF
C0402
R3010 100K
R0402
C3023
1nF
C0402
C3014
1uF
C0402
R3003
240R
R0402
R3001 240R
R0402
C3011
1nF
C0402
U3000
DDR3-512MB
DQ0
E3
DQ1
F7
DQ2
F2
DQ3
F8
DQ4
H3
DQ5
H8
DQ6
G2
DQ7
H7
DQ8
D7
DQ9
C3
DQ10
C8
DQ11
C2
DQ12
A7
DQ13
A2
DQ14
B8
DQ15
A3
CKE0
K9
CS#0
L2
ODT0
K1
RAS#
J3
CAS#
K3
WE#
L3
VDD
B2
VDD
D9
VDD
G7
VDD
K2
VDD
K8
VDDQ
A1
VDDQ
A8
ODT1
J1
CKE1
J9
A0
N3
A1
P7
A2
P3
A3
N2
A4
P8
A5
P2
A6
R8
A7
R2
A8
T8
A9
R3
A10/AP
L7
A11
R7
A12/BC#
N7
A13
T3
BA0
M2
BA1
N8
BA2
M3
CK
J7
CK#
K7
LDM
E7
UDM
D3
LDQS
F3
LDQS#
G3
UDQS
C7
UDQS#
B7
VSSQ
B1
VSSQ
B9
VSS
A9
VSS
B3
VREFDQ
H1
VSS
G8
VSS
J2
VSS
E1
VSS
J8
VSS
M1
VSS
M9
VSS
P1
VSS
P9
VSS
T1
VSS
T9
VSSQ
D1
VSSQ
D8
VSSQ
E2
VSSQ
E8
VSSQ
F9
VSSQ
G1
VSSQ
G9
VDDQ
C1
VDDQ
C9
VDDQ
D2
VDDQ
E9
VDDQ
F1
VDD
N1
VDD
N9
VDD
R1
VDD
R9
CS#1
L1
ZQ1
L9
ZQ0
L8
A15
M7
VREFCA
M8
RESET#
T2
A14
T7
VDDQ
H2
VDDQ
H9
R3005 NC/240R
R0402
C3028
1nF
C0402
R3006
NC/240R
R0402
C3008
0.1uF
C0402
C3031
1nF
C0402
C3013
10uF
C0603
Q3000
CJ2305
SOT23
1
2 3
C3000
22uF
C0805
C3022
0.1uF
C0402
C3016
0.1uF
C0402
C3015
0.1uF
C0402
C3026
1nF
C0402
R3008 100R
R0402
C3003
0.1uF
C0402
C3019
0.1uF
C0402
R3004 NC/240R
R0402
U3002
DDR3-512MB
DQ0
E3
DQ1
F7
DQ2
F2
DQ3
F8
DQ4
H3
DQ5
H8
DQ6
G2
DQ7
H7
DQ8
D7
DQ9
C3
DQ10
C8
DQ11
C2
DQ12
A7
DQ13
A2
DQ14
B8
DQ15
A3
CKE0
K9
CS#0
L2
ODT0
K1
RAS#
J3
CAS#
K3
WE#
L3
VDD
B2
VDD
D9
VDD
G7
VDD
K2
VDD
K8
VDDQ
A1
VDDQ
A8
ODT1
J1
CKE1
J9
A0
N3
A1
P7
A2
P3
A3
N2
A4
P8
A5
P2
A6
R8
A7
R2
A8
T8
A9
R3
A10/AP
L7
A11
R7
A12/BC#
N7
A13
T3
BA0
M2
BA1
N8
BA2
M3
CK
J7
CK#
K7
LDM
E7
UDM
D3
LDQS
F3
LDQS#
G3
UDQS
C7
UDQS#
B7
VSSQ
B1
VSSQ
B9
VSS
A9
VSS
B3
VREFDQ
H1
VSS
G8
VSS
J2
VSS
E1
VSS
J8
VSS
M1
VSS
M9
VSS
P1
VSS
P9
VSS
T1
VSS
T9
VSSQ
D1
VSSQ
D8
VSSQ
E2
VSSQ
E8
VSSQ
F9
VSSQ
G1
VSSQ
G9
VDDQ
C1
VDDQ
C9
VDDQ
D2
VDDQ
E9
VDDQ
F1
VDD
N1
VDD
N9
VDD
R1
VDD
R9
CS#1
L1
ZQ1
L9
ZQ0
L8
A15
M7
VREFCA
M8
RESET#
T2
A14
T7
VDDQ
H2
VDDQ
H9
C3018
0.1uF
C0402
5
5
4
4
3
3
2
2
1
1
E E
D D
C C
B B
A A
eMMC FLASH
www.9tripod.com
X3288CV2
FLASH0_D6
FLASH0_D7
FLASH0_D2
FLASH0_D3
FLASH0_D4
FLASH0_D0
FLASH0_D1
FLASH0_D6
FLASH0_D7
FLASH0_CS2/EMMC_CMD
FLASH0_D3
FLASH0_D4
FLASH0_D5
FLASH0_D1
FLASH0_D2
FLASH0_D0
FLASH0_WP/EMMC_PWREN
FLASH0_DQS/EMMC_CLKO
FLASH0_CS2/EMMC_CMD
FLASH0_D5
VCCIO_FLASH
VCC_IO
VCCIO_FLASH
VCCIO_FLASHVCC_IO
VCCIO_FLASH
FLASH0_D2
FLASH0_D1
FLASH0_D7
FLASH0_D0
FLASH0_D3
FLASH0_WP/EMMC_PWREN
FLASH0_D5
FLASH0_D4
FLASH0_CS2/EMMC_CMD
FLASH0_D6
FLASH0_DQS/EMMC_CLKO
Title
Size Document Number Rev
Date: Sheet of
 A4
13 13Friday, October 30, 2015
C4005
0.1uF
C0402
U23
R1131N181D
Vin
1
GND
2
EN
3
N.C
4
Vout
5
C4006
0.1uF
C0402
C4000
0.1uF
C0402
R4004
10K
C4010
0.1uF
C0402
R4003 NC
R0402
U4000
eMMC
INAND_153
DATA3
J2
DATA0
H3
DATA1
H4
DATA2
H5
DATA4
J3
DATA5
J4
DATA6
J5
DATA7
J6
VCC
M6
VSS
M7
VCC
N5
VSS
R10
VCC
T10
RST_n
U5
VSS
U8
VCC
U9
VSSQ
Y2
VCCQ
Y4
VSSQ
Y5
VCCQ
AA3
VSSQ
AA4
VCCQ
AA5
VSSQ
AA6VDDi
K2
VSSQ
K4
VCCQ
K6
VSS
P5
VCCQ
W4
CMD
W5
CLK
W6
C4009
0.1uF
C0402
C4008
0.1uF
C0402
C4007
0.1uF
C0402
R4001 33R
R0402
R4002
NC/0R
R4000 10K
R4007
10K
R4006
10K
R4011
10K
R4005
10K
R4010
10K
R4009
10K
R4008
10K

缩略图:

  • 缩略图1
  • 缩略图2
  • 缩略图3
  • 缩略图4
  • 缩略图5
当前页面二维码

广告: