安富莱STM32F103ZE-EK开发板原理图(第2版).pdf

  • 文件大小: 285.12KB
  • 文件类型: pdf
  • 上传日期: 2025-08-23
  • 下载次数: 0

概要信息:

DATE:
SHEET NAME:
2009-12-17armflyDRAWN BY: OF
STM32F103ZE-EK 开发板
A3 [0]CONTENTS
1 10
REV:SIZE:
COMPANY:
TITLE:
SHEET:
2.0
安富莱电子开发网 www.armfly.com
PCB版本 PCB板设计日期 修改记录
Rev 1.0 2009-9-8 初版
Rev 2.0 2009-10-30
1、更正示波器电路的BUG。
2、更换I2S音频CODEC芯片,由WM8753更换为WM8978。(缩小面积,
提升扬声器驱动功率)
3、增加1个板载MIC和一个MIC输入插座。
4、增加I2S录音功能,可以录制MIC和FM收音机信号。
5、新增FM收音机模块。
6、新增红外遥控接收电路。
7、新增红外发射电路。
Page Sheet Name 说明
0 CONTENTS 目录
1 CPU CPU
2 SRAM 地址译码器和SRAM
3 NOR_NAND_SD_SFLASH 片外存储器(Nor Flash,Nand Flah,SRAM,Sd卡,串行FLASH)
4 RS232_RS485_CAN_LAN 通信接口电路(RS232,RS485,CAN,100M网卡)
5 KEY_LED_GPIO 按键,LED和扩展GPIO插槽
6 USB_LCD_IR USB Deviece和USB Host,LCD接口,红外遥控接收、红外发射
7 DSO 示波器电路
8 CODEC_FM 音频CODEC,FM收音机
9 POWER_JTAG_HOLE 电源,JTAG插座,安装孔
[6,10]PB3/TDO
[6,10]PA15/TDI
[6,10]PA14/TCK
[6,10]PA13/TMS
[6,10]PB4/TRST
VDD3.3V
[4,5,6,7,10] NRESET
[6] PC13/TAMPER
[6,8] PC0/ADC123_IN10
[6,8] PC1/ADC123_IN11
[6,8] PC2/ADC123_IN12
[6,8] PC3/ADC123_IN13
GND
VDDBAT
VDD3.3V
VDD3.3V
VDD3.3V
VDD3.3V
VDD3.3V
VDD3.3V
VDD3.3V
VDD3.3V
VDD3.3V
VDD3.3V
VDDA
VREF+
[6] PA0/WKUP
[5,6] PA1
[5,6] PA2/USART2_TX
[5,6] PA3/USART2_RX
[6] PA4/DAC_OUT1
[4,6,7] PA5/SPI1_SCK
[4,6,7] PA6/SPI1_MISO
[4,6,7] PA7/SPI1_MOSI
[6] PC4/ADC12_IN14
[6,7] PC5
[3,4,6,7] FSMC_A0
[3,4,6] FSMC_A1
[3,4,5,6,7] FSMC_A2
[3,4,6] FSMC_A3
[3,4,6] FSMC_A4
[3,4,6] FSMC_A5
[6,7] PE2
[3,4,6] FSMC_A19
[3,4,6] FSMC_A20
[4,6] FSMC_A21
[4,6] FSMC_A22
[6] PF6
[6] PF7
[6] PF8
[6] PF9
[5,6] PF10
[6,7] PB0
[6,7] PB1
[4,6,10] PB2/BOOT1
[5,6] PF11
[3,4,6] FSMC_A6
[3,4,6] FSMC_A7
[3,4,6] FSMC_A8
[3,4,6] FSMC_A9
[3,4,6] FSMC_A10
[3,4,6] FSMC_A11
[3,4,5,6,7] FSMC_D4
[3,4,5,6,7] FSMC_D5
[3,4,5,6,7] FSMC_D6
[3,4,5,6,7] FSMC_D7
[3,4,5,6,7] FSMC_D8
[3,4,5,6,7] FSMC_D9
[3,4,5,6,7] FSMC_D10
[3,4,5,6,7] FSMC_D11
[3,4,5,6,7] FSMC_D12
[5,6] PB10/USART3_TX
[5,6] PB11/USART3_RX
[6,9]PB12/I2S2_WS
[6,9]PB13/I2S2_CK
[6,7]PB14
[6,9]PB15/I2S2_SD
[3,4,5,6,7]FSMC_D13
[3,4,5,6,7]FSMC_D14
[3,4,5,6,7]FSMC_D15
[3,4,6]FSMC_A16
[3,4,6]FSMC_A17
[3,4,6]FSMC_A18
[3,4,5,6,7]FSMC_D0
[3,4,5,6,7]FSMC_D1
[3,4,6]FSMC_A12
[3,4,6]FSMC_A13
[3,4,6]FSMC_A14
[3,4,6]FSMC_A15
[4,6]FSMC_INT2
[6]PG7
[6]PG8
[6,9]PC6/I2S2_MCK
[4,6]PC7
[4,6]PC10/SDIO_D2
[4,6]PC11/SDIO_D3
[4,6]PC12/SDIO_CK
[4,6]PD2/SDIO_CMD
[3,4,5,6,7]FSMC_D2
[3,4,5,6,7]FSMC_D3
[3,4,5,6,7]FSMC_NOE
[3,4,5,6,7]FSMC_NWE
[6]PD3
[4,6]FSMC_NWAIT
[4,6]FSMC_NCE2
[4,6]FSMC_NE2
[3,6]FSMC_NE3
[6,7]PG11
[6]PG13
[6]PG14
[3,6]FSMC_NE4
[6]PG15
[5,6]PB8/CANRX
[5,6]PB9/CANTX
[3,6]FSMC_NBL0
[3,6]FSMC_NBL1
[6,10]BOOT0
[4,6]PC8/SDIO_D0
[4,6]PC9/SDIO_D1
[5,6]PA9/USART1_TX
[5,6]PA10/USART1_RX
[6,7]PA11/USBDM
[6,7]PA12/USBDP
[6,7]PA8
[4,6,9]PB6/I2C1_SCL
[4,6,9]PB7/I2C1_SDA
VDD3.3V
[6,7]PB5
安富莱电子开发网 www.armfly.com
2.0
SHEET:
TITLE:
COMPANY:
SIZE: REV:
102
[1]CPUA3
STM32F103ZE-EK 开发板
OFDRAWN BY: armfly 2009-12-17
SHEET NAME:
DATE:
(PB8,PB9重映射为CAN)
(NAND)
(NOR)
(NAND)
(SRAM + LAN + LCD)
(RS485接收使能)
(RS485发送使能)
(DM9000AE中断)
(触摸屏SPI_NCS)
(LED1)
(LED2)
(LED3)
(LED4)
(卡插入检测)
(DSO模拟通道)
(DSO模拟通道)
(DSO模拟通道)
(DSO模拟通道)
(可调电阻器)
(串行Flash)
(RS232串口2)
(USB上拉使能)
(触摸屏中断)
(背光控制)
(5向键-ok)
(user button)
(5向键-left)
(5向键-down)
(5向键-right)
(5向键-up)
(USB主设备中断)
CPU
(红外发射)
(红外接收)
(TP_BUSY)
1
2
3
4
5
6
7
8
9
10
11
12
13
14
15
16
17
18
19
20
21
22
23
24
25
26
27
28
29
30
31
32
33
34
35
36
37
38
39
40
41
42
43
44
45
46
47
48
49
50
51
52
53
54
55
56
57
58
59
60
61
62
63
64
65
66
67
68
69
70
71
72 73
74
75
76
77
78
79
80
81
82
83
84
85
86
87
88
89
90
91
92
93
94
95
96
97
98
99
100
101
102
103
104
105
106
107
108
109
110
111
112
113
114
115
116
117
118
119
120
121
122
123
124
125
126
127
128
129
130
131
132
133
134
135
136
137
138
139
140
141
142
143
144
X3
32.768K
X2
8MHz
C47
180/50
C48
180/50
C41
100
C46
100
PE2/TRACECK/FSMC_A23
PE3/TRACED0/FSMC_A19
PE4/TRACED1/FSMC_A20
PE5/TRACED2/FSMC_A21
PE6/TRACED3/FSMC_A22
VBAT
PC13-TAMPER-RTC
PC14-OSC32_IN
PC15-OSC32_OUT
PF0/FSMC_A0
PF1/FSMC_A1
PF2/FSMC_A2
PF3/FSMC_A3
PF4/FSMC_A4
PF5/FSMC_A5
VSS_5
VDD_5
PF6/ADC3_IN4/FSMC_NIORD
PF7/ADC3_IN5/FSMC_NREG
PF8/ADC3_IN6/FSMC_NIOWR
PF9/ADC3_IN7/FSMC_CD
PF10/ADC3_IN8/FSMC_INTR
OSC_IN
OSC_OUT
NRST
PC0/ADC123_IN10
PC1/ADC123_IN11
PC2/ADC123_IN12
PC3/ADC123_IN13
VSSA
VREF-
VREF+
VDDA
PA0/WKUP/USART2_CTS/ADC_IN0/TIM5_CH1/...
PA1/USART2_RTS/ADC_IN1/TIM5_CH2/TIM2_CH2
PA2/USART2_TX/TIM5_CH3/ADC_IN2/TIM2_CH3
PA3/USART2_RX/TIM5_CH4/ADC_IN3/TIM2_CH4
VSS_4
VDD_4
PA4/SPI1_NSS/DAC_OUT1/USART2_CK/ADC12IN4
PA5/SPI1_SCK/DAC_OUT2/ADC12_IN5
PA6/SPI1_MISO/TIM8_BKIN/ADC12IN6/TIM3CH1
PA7/SPI1_MOSI/TIM8_CH1N/ADC12IN7/TIM3CH2
PC4/ADC12_IN14
PC5/ADC12_IN15
PB0/ADC12_IN8/TIM3_CH3/TIM8_CH2N
PB1/ADC12_IN9/TIM3_CH4/TIM8_CH3N
PB2/BOOT1
PF11/FSMC_NIOS16
PF12/FSMC_A6
VSS_6
VDD_6
PF13/FSMC_A7
PF14/FSMC_A8
PF15/FSMC_A9
PG0/FSMC_A10
PG1/FSMC_A11
PE7/FSMC_D4
PE8/FSMC_D5
PE9/FSMC_D6
VSS_7
VDD_7
PE10/FSMC_D7
PE11/FSMC_D8
PE12/FSMC_D9
PE13/FSMC_D10
PE14/FSMC_D11
PE15/FSMC_D12
PB10/I2C2_SCL/USART3_TX
PB11/I2C2_SDA/USART3_RX
VSS_1
VDD_1 PB12/SPI2_NSS/I2C2_SMBAI/I2S2_WS/...
PB13/SPI2_SCK/I2S2_CK/USART3_CTS/...
PB14/SPI2_MISO/USART3_RTS/TIM1_CH2N
PB15/SPI2_MOSI/I2S2_SD/TIM1_CH3N
PD8/FSMC_D13
PD9/FSMC_D14
PD10/FSMC_D15
PD11/FSMC_A16
PD12/FSMC_A17
PD13/FSMC_A18
VSS_8
VDD_8
PD14/FSMC_D0
PD15/FSMC_D1
PG2/FSMC_A12
PG3/FSMC_A13
PG4/FSMC_A14
PG5/FSMC_A15
PG6/FSMC_INT2
PG7/FSMC_INT3
PG8
VSS_9
VDD_9
PC6/I2S2_MCK/TIM8_CH1/SDIO_D6
PC7/I2S3_MCK/TIM8_CH2/SDIO_D7
PC8/TIM8_CH3/SDIO_D0
PC9/TIM8_CH4/SDIO/D1
PA8/USART1_CK/TIM1_CH1/MCO
PA9/USART1_TX/TIM1_CH2
PA10/USART1_RX/TIM1_CH3
PA11/USART1_CTS/CANRX/TIM1_CH4/USBDM
PA12/USART1_RTS/CANTX/TIM1_ETR/USBDP
PA13/JTMS/SWDIO
NC
VSS_2
VDD_2
PA14/JTCK/SWCLK
PA15/JTDI//SPI3_NSS/I2S3_WS
PC10/USART4_TX/SDIO_D2
PC11/USART4_RX/SDIO_D3
PC12/USART5_TX/SDIO_CK
PD0/OSC_IN/FSMC_D2
PD1/OSC_OUT/FSMC_D3
PD2/TIM3_ETR/USART5_RX/SDIO_CMD
PD3/FSMC_CLK
PD4/FSMC_NOE
PD5/FSMC_NWE
VSS_10
VDD_10
PD6/FSMC_NWAIT
PD7/FSMC_NE1/FSMC_NCE2
PG9/FSMC_NE2/FSMC_NCE3
PG10/FSMC_NCE4_1/FSMC_NE3
PG11/FSMC_NCE4_2
PG12/FSMC_NE4
PG13/FSMC_A24
PG14/FSMC_A25
VSS_11
VDD_11
PG15
PB3/TRACESWO/JTDO/SPI3_SCK/I2S3_CK
PB4/JNTRST/SPI3_MISO
PB5/I2C1_SMBAI/SPI3_MOSI/I2S3_SD
PB6/I2C1_SCL/TIM4CH1
PB7/I2C1_SDA/FSMC_NADV/TIM4_CH2
BOOT0
PB8/TIM4_CH3/SDIO_D4
PB9/TIM4_CHR/SDIO_D5
PE0/TIM4_ETR/FSMC_NBL0
PE1/FSMC_NBL1
VSS_3
VDD_3
U14 STM32F103ZE/LQFP144
C
3
1
1
0
4
/
5
0
C
6
0
1
0
4
/
5
0
C
6
1
1
0
4
/
5
0
C
6
4
1
0
4
/
5
0
C
4
4
1
0
4
/
5
0
C
5
0
1
0
4
/
5
0
CN17
CR2032
R12
10K
R116
0
[2,6] FSMC_NE3
[2,6] FSMC_NE4
[2,3,4,6] FSMC_A19
[2,3,4,6] FSMC_A20
[2,3,4,6] FSMC_A19
[2,3,4,6] FSMC_A20
[3]SRAM_NCS
[3,5]LAN_NCS
[6]FSMC_NE3_B4
[3,5]LAN_NCS
[7]CH374_NCS
[6]FSMC_NE4_B4
[7]LCD_NCS
VDD3.3V
VDD3.3V
[2,4,6,7] FSMC_A0
[2,4,6] FSMC_A1
[2,4,5,6,7] FSMC_A2
[2,4,6] FSMC_A3
[2,4,6] FSMC_A4
[3] SRAM_NCS
[2,4,5,6,7] FSMC_D0
[2,4,5,6,7] FSMC_D1
[2,4,5,6,7] FSMC_D2
[2,4,5,6,7] FSMC_D3
VDD3.3V
[2,4,5,6,7] FSMC_D4
[2,4,5,6,7] FSMC_D5
[2,4,5,6,7] FSMC_D6
[2,4,5,6,7] FSMC_D7
[2,4,5,6,7] FSMC_NWE
[2,4,6] FSMC_A5
[2,4,6] FSMC_A6
[2,4,6] FSMC_A7
[2,4,6] FSMC_A8
[2,4,6] FSMC_A9
[2,4,6]FSMC_A17
[2,4,6]FSMC_A16
[2,4,6]FSMC_A15
[2,4,5,6,7]FSMC_NOE
[2,4,5,6,7]FSMC_D15
[2,4,5,6,7]FSMC_D14
[2,4,5,6,7]FSMC_D13
[2,4,5,6,7]FSMC_D12
[2,6]FSMC_NBL1
[2,6]FSMC_NBL0
VDD3.3V
[2,4,5,6,7]FSMC_D11
[2,4,5,6,7]FSMC_D10
[2,4,5,6,7]FSMC_D9
[2,4,5,6,7]FSMC_D8
[2,3,4,6]FSMC_A18
[2,4,6]FSMC_A14
[2,4,6]FSMC_A13
[2,4,6]FSMC_A12
[2,4,6]FSMC_A11
[2,4,6]FSMC_A10
VDD3.3V
RSVD
[2,3,4,6] FSMC_A18
DATE:
SHEET NAME:
2009-12-17armflyDRAWN BY: OF
STM32F103ZE-EK 开发板
A3 [2]SRAM
3 10
REV:SIZE:
COMPANY:
TITLE:
SHEET:
2.0
安富莱电子开发网 www.armfly.com
(SRAM)
(LCD)
(LAN)
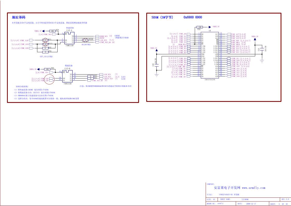
地址译码
(R71,R113不贴)
(预留第2片SRAM)
SRAM (1M字节) 0x6800 0000
注意:第1版硬件DM9000AE和CH374的地址空间和后续版本不同
(R120不贴)
本开发板具有6个总线设备,由于STM32最多同时挂4个总线设备,因此需要增加地址译码器
BANK分组原则:
(1)将快速设备(SRAM) 划分到第1个BANK
(2)将慢速设备(LCD、CH374T) 划分到第2个BANK
(3)DM9000AE属于快速设备可以挂在第1个BANK
(3)这样分组后,每个BANK的速度配置可以保持一致,避免来回切换FSMC设置
慢速设备
快速设备
1
2
3
4
5
6
7
15
14
13
12
11
10
9
1
2
3
4
5
6
7
8
9
10
11
12
13
14
15
16
17
18
19
20
21
22 23
24
25
26
27
28
29
30
31
32
33
34
35
36
37
38
39
40
41
42
43
44
OE
A0
A1
Y0
Y1
Y2
Y3
U12-A
74HC139
OE
A0
A1
Y0
Y1
Y2
Y3
U12-B
74HC139
R450
R710
R1130
R780
R570
R640
R79
10K
R80
10K
A0
A1
A2
A3
A4
CE
I/O0
I/O1
I/O2
I/O3
VDD
GND
I/O4
I/O5
I/O6
I/O7
WE
A5
A6
A7
A8
A9 A10
A11
A12
A13
A14
A18
I/O8
I/O9
I/O10
I/O11
VDD
GND
I/O12
I/O13
I/O14
I/O15
LB
UB
OE
A15
A16
A17
U9
IS61LV51216
C
2
0 1
0
4
/
5
0
C
2
3
1
0
4
/
5
0
R70
10K
R120
0
[2,6]FSMC_NE2
[2,3,4,5,6,7]FSMC_NOE
[2,5,6,7,10]NRESET
[2,3,4,5,6,7]FSMC_NWE
FSMC_D[0:7]
[2,3,4,5,6,7] FSMC_NWE
[2,3,4,6] FSMC_A17
[2,3,4,6] FSMC_A16
[2,6] FSMC_NCE2
[2,3,4,5,6,7] FSMC_NOE
VDD3.3V
[2,4,6] FSMC_NWAIT
VDD3.3V
FSMC_D0
FSMC_D1
FSMC_D2
FSMC_D3
[5]FSMC_D[0:15]
FSMC_D7
FSMC_D6
FSMC_D5
FSMC_D4
VDD3.3V
VDD3.3V
VDD3.3V
VDD3.3V
[2,4,6]FSMC_NWAIT
VDD3.3V
[2,6] FSMC_INT2
[2,6] PC10/SDIO_D2
[2,6] PC9/SDIO_D1
[2,6] PC8/SDIO_D0
[2,6] PC11/SDIO_D3
[2,6] PC12/SDIO_CK
[2,6] PD2/SDIO_CMD
VDD3.3V
VDD3.3V
[2,6,10] PB2/BOOT1
[2,6,7] PA6/SPI1_MISO
VDD3.3V
[2,6,7]PA7/SPI1_MOSI
[2,6,7] PA5/SPI1_SCK
VDD3.3V
[2,6] PC7
VDD3.3V
[2,6,9]PB6/I2C1_SCL
[2,6,9]PB7/I2C1_SDA
VDD3.3V
FSMC_A0
FSMC_A1
FSMC_A2
FSMC_A3
FSMC_A4
FSMC_A5
FSMC_A6
FSMC_A7
FSMC_A8
FSMC_A9
FSMC_A10
FSMC_A11
FSMC_A12
FSMC_A13
FSMC_A14
FSMC_A15
FSMC_A16
FSMC_A17
FSMC_A18
FSMC_A19
FSMC_A20
FSMC_A21
FSMC_A22
FSMC_D0
FSMC_D1
FSMC_D2
FSMC_D3
FSMC_D4
FSMC_D5
FSMC_D6
FSMC_D7
FSMC_D8
FSMC_D9
FSMC_D10
FSMC_D11
FSMC_D12
FSMC_D13
FSMC_D14
FSMC_D15
VDD3.3V
FSMC_A[0:24]
2009-12-17DATE:
SHEET NAME:
armflyDRAWN BY: OF
STM32F103ZE-EK 开发板
A3 [3]NOR_NAND_SD_SFLASH
4 10
REV:SIZE:
COMPANY:
TITLE:
SHEET:
2.0
安富莱电子开发网 www.armfly.com
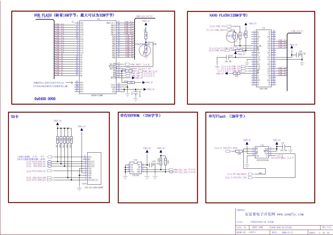
NOR FLASH (缺省16M字节,最大可以为32M字节) NAND FLASH(128M字节)
写保护使能电阻,不贴
不贴
串行Flash (2M字节)
(卡插入检测)
(SD卡写保护检测引脚,未用)
串行EEPROM (256字节)SD卡
NC
56脚即A24,仅用于64M字节Flash
CPU的A24缺省被用于5向摇杆的上键
PB2
0x6400 0000
1
2
3
4
5
6
7
8
9
10
11
12
13
14
15
16
17
18
19
20
21
22
23
24
48
47
46
45
44
43
42
41
40
39
38
37
36
35
34
33
32
31
30
29
28
27
26
25
1
2
3
4
5
6
7
8
9
10
11
1
2
3
4
8
7
6
5
1
2
3
4 5
6
7
8
1
2
15
12
11
18
19
54
3
4
5
6
7
8
9
10
20
21
22
23
24
25
26
31
56
55
30
28
27
51
49
47
45
42
40
38
36
50
48
46
44
41
39
37
35
17
16
14
32
34
13
53
52
33
43
29
NC
NC
DNU
NC
NC
NC
R/NB
RE
CE
DNU
NC
VCC
VSS
NC
DNU
CLE
ALE
WE
WP
NC
NC
DNU
NC
NC
NC
NC
DNU
NC
IO7
IO6
IO5
IO4
NC
DNU
NC
VCC
VSS
NC
DNU
NC
IO3
IO2
IO1
IO0
NC
DNU
NC
NC
U3
K9F1G08
R10
10K
R
6
0
1
0
K
C
1
7
1
0
4
/
5
0
C21
104/50
C22
104/50
R
3
1
1
0
K
R32
10K
R
3
3
1
0
K
R
3
5 0
R
3
6 0
CD/DAT[3]
CMD
VSS
VDD
CLK
VSS
DAT[0]
DAT[1]
DAT[2]
WP
RVS
CN18
CON-SD-CARD/SHORT
R
1
1
0
K
R
5
0
1
0
K
R
5
1
1
0
K
R
5
2
1
0
K
R
5
3
1
0
K
CE
SO
WP
VSS
VDD
HOLD
SCK
SI
U15
SST25VF016B
A0
A1
A2
VSS SDA
SCL
WP
VCC
U10
24LC02
C37
104/50
R
2
2
4
.
7
K
R
2
3
4
.
7
K
R34
0
R44
0
A23
A22
A21
A20
A19
A18
A17
A16
A15
A14
A13
A12
A11
A10
A9
A8
A7
A6
A5
A4
A3
A2
A1
A0
NC5
NC4
NC3
NC2
NC1
DQ15/A-1
DQ14
DQ13
DQ12
DQ11
DQ10
DQ9
DQ8
DQ7
DQ6
DQ5
DQ4
DQ3
DQ2
DQ1
DQ0
RY/ B Y
W P/ACC
R E S E T
C E
O E
W E
B Y T E
VSS1
VSS0
VCC
VIO
U8
AM29LV128ML
C9
104/50
R40
0
[5]RS232_2_TX
[5] RS232_2_RX
VDD3.3V
[2,6]PA3/USART2_RX
[2,6]PA2/USART2_TX
VDD3.3V
[5]RS232_1_TX
[5]RS232_1_RX
[2,6]PA10/USART1_RX
[2,6]PA9/USART1_TX
[6]RS485_A
[6]RS485_B
[2,6] PB11/USART3_RX
VDD3.3V
[2,6] PB10/USART3_TX
[2,6] PF10
[2,6] PF11
VDD3.3V
[2,6] PB9/CANTX
[2,6]PB8/CANRX
[5,6]CANH
[5,6]CANL
[5,6]CANH
[5,6]CANL
[5] RS232_1_RX
[5] RS232_1_TX
[5] RS232_2_RX
[5] RS232_2_TX
VDD3.3V
VCC2.5V
VDD3.3V
[2,4,6,7,10] NRESET
[2,3,4,6,7] FSMC_NWE
[2,3,4,6,7] FSMC_NOE
[3] LAN_NCS
[2,3,4,6,7]FSMC_A2
[4]FSMC_D[0:15]
VDD3.3V
VDD3.3V
VDD3.3V
[5]TPTX-
[5]TPTX+
[5]TPRX+
[5]TPRX-
[5] TPTX+
[5] TPTX-
[5] TPRX-
[5] TPRX+
VDD3.3V
[5]SPEED
[5]
LINKACT
[5]
SPEED
GND
VCC2.5V
GND
VCC2.5V
GND
[5]LINKACT
FSMC_D0
GND
GND
FSMC_D2
[2,6]PA1
FSMC_D1
FSMC_D3
FSMC_D4
FSMC_D5
FSMC_D7
FSMC_D6
FSMC_D8
FSMC_D9
FSMC_D11
FSMC_D10
FSMC_D12
FSMC_D13
FSMC_D14
FSMC_D15
VDD3.3V
2.0
DATE:
SHEET NAME:
2009-12-17armflyDRAWN BY: OF
STM32F103ZE-EK 开发板
A3 [4]RS232_RS485_CAN_LAN
5 10
REV:SIZE:
COMPANY:
TITLE:
SHEET:
安富莱电子开发网 www.armfly.com
DE : 1发送使能; 0发送禁止
RE : 1接收使能; 0接收禁止
DE和 RE同时为1 : 环回测试
CAN接口
两路RS232串口(USART1 & USART2)
安装R101电阻 网卡工作在8位模式;否则为16位模式
安装R102电阻  网卡中断低有效;否则高有效
R101不贴
RS485 (USART3)
100M/10M网卡电路
这3个电阻缺省不贴,客户根据需要自行贴装
addr reg : 0x6C100000
data reg : 0x6C100008
1
2
3
4
5
6
7
8 9
10
11
12
13
14
15
16
1
2
3
4 5
6
7
8
1
2
3
4 5
6
7
8
1
2
3
4
5
6
7
8
9
1
2
3
4
5
6
7
8
9
32
37
36
35
40
46
41
42
30
23
9
2
45
33
15
47
6
5
48
18
17
16
14
13
12
11
10
31
29
28
27
26
25
24
22
38
39
1
34
21
20
19
4
3
8
7
44
43
1
2
3
4
5
6
7
8
9
10
11
12
13
14
12
34
C1+
V+
C1-
C2+
C2-
V-
T2OUT
R2IN R2OUT
T2IN
T1IN
R1OUT
R1IN
T1OUT
GND
VCC
U17
SP3232E
C18
104/50
C
1
9
1
0
4
/
5
0
C14
104/50
C16
104/50
C15 104/50
R
3
1
k
RO
RE
DE
DI GND
A
B
VCC
U4
SP3485E
C3
104/50 R
4
4
.
7
K
R
2
4
.
7
K
R
1
7
4
.
7
K
R
1
8
1
0
K
TXD
GND
VCC
RXD VREF
CANL
CANH
RS
U1
SN65HVD230/SO8
C2
104/50
CN6
CN8
R38
120
CMD
CS
IOW
IOR
PWRST
SD
TEST
VDD_1
VDD_2
VDD_3
VDD25_1
VDD25_2
GND_1
GND_2
GND_3
AGND_1
AGND_2
AGND_3
BGGND
SD0
SD1
SD2
SD3
SD4
SD5
SD6
SD7
SD8
SD9
SD10
SD11
SD12
SD13
SD14
SD15
LED2 /LINKACT
LED1 /SPEED
BGRES
INT
EECS
EECK
EEDIO
RX-
RX+
TX-
TX+
X1
X2
U13
DM9000AE
R97
6.8K
R98
510
R99
510
R
1
0
0
1
0
K
R101
10K
R102
10K
R103
10K
X4
25M
C
3
2
1
8
0
/
5
0
C
2
5
1
8
0
/
5
0
TD+
TD-
RD+
RD-
NC
CHSGND
LED1+
LED1-
LED2-
LED2+
CN14HR911105A
C
2
7
1
0
4
/
5
0
C
2
8
1
0
4
/
5
0
C
3
4
1
0
4
/
5
0
R
1
0
4
5
1
R
1
0
5
5
1
R
1
0
6
5
1
R
1
0
7
5
1
C
5
2
1
0
6
/
1
0
C
5
3
1
0
6
/
1
0
R77
0
S10
KHS02E
R50
R720
R740
R75
0
VDD3.3V
[2,6] PG7
[2,6] PD3
[2,6] PG13
[2,6] PG15
[2,6] PG14
VDD3.3V
[2,6] PG8
VDD3.3V
[2,6] PA0/WKUP
VDD3.3V
[2,6]PF6
[2,6]PF7
[2,6]PF8
VDD3.3V
[2,6]PF9
[2,6]PC4/ADC12_IN14
VDD3.3V
GND
[2,6] PC13/TAMPER
[2,6] PA4/DAC_OUT1
[5] CANH
[5] CANL
[5] RS485_A
[5] RS485_B
[2,7] PE2 [2,3,4]FSMC_A19
[2,3,4] FSMC_A20 [2,4]FSMC_A21
[2,4] FSMC_A22 [2,6]PC13/TAMPER
[2,3,4,7] FSMC_A0 [2,3,4]FSMC_A1
[2,3,4,5,7] FSMC_A2 [2,3,4]FSMC_A3
[2,3,4] FSMC_A4 [2,3,4]FSMC_A5
[2,6] PF6 [2,6]PF7
[2,6] PF8 [2,6]PF9
[2,5] PF10
[2,8]PC0/ADC123_IN10
[2,8] PC1/ADC123_IN11 [2,8]PC2/ADC123_IN12
[2,8] PC3/ADC123_IN13 [2,6]PA0/WKUP
[2,5] PA1 [2,5]PA2/USART2_TX
[2,5] PA3/USART2_RX [2,6]PA4/DAC_OUT1
[2,4,7] PA5/SPI1_SCK [2,4,7]PA6/SPI1_MISO
[2,4,7] PA7/SPI1_MOSI [2,6]PC4/ADC12_IN14
[2,7] PC5 [2,7]PB0
[2,7] PB1 [2,4,10]PB2/BOOT1
[2,5] PF11 [2,3,4]FSMC_A6
[2,3,4] FSMC_A7 [2,3,4]FSMC_A8
[2,3,4] FSMC_A9 [2,3,4]FSMC_A10
[2,3,4] FSMC_A11 [2,3,4,5,7]FSMC_D4
[2,3,4,5,7] FSMC_D5
[2,3,4,5,7] FSMC_D7
[2,3,4,5,7]FSMC_D6
[2,3,4,5,7]FSMC_D8
[2,3,4,5,7] FSMC_D9 [2,3,4,5,7]FSMC_D10
[2,3,4,5,7] FSMC_D11 [2,3,4,5,7]FSMC_D12
[2,9] PB12/I2S2_WS
[2,7] PB14
[2,9]PB13/I2S2_CK
[2,9]PB15/I2S2_SD
[2,3,4,5,7] FSMC_D13 [2,3,4,5,7]FSMC_D14
[2,3,4,5,7] FSMC_D15 [2,3,4]FSMC_A16
[2,3,4] FSMC_A17 [2,3,4]FSMC_A18
[2,3,4,5,7] FSMC_D0 [2,3,4,5,7]FSMC_D1
[2,3,4] FSMC_A12 [2,3,4]FSMC_A13
[2,3,4] FSMC_A14 [2,3,4]FSMC_A15
[2,4] FSMC_INT2 [2,6]PG7
[2,6] PG8 [2,9]PC6/I2S2_MCK
[2,4] PC7 [2,4]PC8/SDIO_D0
[2,4] PC9/SDIO_D1 [2,7]PA8
[2,5] PA9/USART1_TX [2,5]PA10/USART1_RX
[2,7] PA11/USBDM [2,7]PA12/USBDP
[2,10] PA13/TMS [2,10]PA14/TCK
[2,10] PA15/TDI [2,4]PC10/SDIO_D2
[2,4] PC11/SDIO_D3 [2,4]PC12/SDIO_CK
[2,3,4,5,7] FSMC_D2 [2,3,4,5,7]FSMC_D3
[2,4] PD2/SDIO_CMD [2,6]PD3
[2,3,4,5,7] FSMC_NOE [2,3,4,5,7]FSMC_NWE
[2,4]FSMC_NCE2
[2,4] FSMC_NE2 [2,3]FSMC_NE3
[2,7] PG11 [2,3]FSMC_NE4
[2,6] PG13 [2,6]PG14
[2,6] PG15 [2,10]PB3/TDO
[2,10] PB4/TRST
[2,5] PB10/USART3_TX [2,5]PB11/USART3_RX
[2,7]PB5
[2,4,9] PB6/I2C1_SCL [2,4,9]PB7/I2C1_SDA
[2,10] BOOT0
[2,3]FSMC_NBL0
[2,3] FSMC_NBL1
[2,4,5,7,10]NRESET
[3] FSMC_NE3_B4 FSMC_NE3_B2
FSMC_NE3_B3 [3]FSMC_NE4_B4
VDD3.3V
[2,4] FSMC_NWAIT
[2,5]PB8/CANRX
[2,5] PB9/CANTX
DATE:
SHEET NAME:
2009-12-17armflyDRAWN BY: OF
STM32F103ZE-EK 开发板
A3 [5]KEY_LED_GPIO
6 10
REV:SIZE:
COMPANY:
TITLE:
SHEET:
2.0
安富莱电子开发网 www.armfly.com
5向摇杆
用户自定义按钮
ANTI_TAMPER
WAKEUP
侵入测试按钮 WKUP测试按钮
精密可调电位器(ADC测试) 用户自定义LED指示灯
(1)当用户需要将被外设占用的GPIO挪作它用时,可以去掉外设输出口线上串联的0欧姆电阻。
(2)为了便于用户试验和测试,标配的板子均不焊接排针。
PA0
PA1 PA2
PA3 PA4
PA5 PA6
PA7
PA8
PA9 PA10
PA11 PA12
PA13 PA14
PA15
PB0
PB1 PB2
PB3
PB4 PB5
PB6 PB7
PB8
PB9
PB10 PB11
PB12 PB13
PB14 PB15
PC0
PC1 PC2
PC3
PC4
PC5
PC6
PC7 PC8
PC9
PC10
PC11 PC12
PC13
PD0 PD1
PD2 PD3
PD4 PD5
PD6 PD7
PD8 PD9
PD10 PD11
PD12 PD13
PD14 PD15
PE0
PE1
PE2 PE3
PE4 PE5
PE6
PE7
PE8 PE9
PE10 PE11
PE12 PE13
PE14 PE15
PF0 PF1
PF2 PF3
PF4 PF5
PF6 PF7
PF8 PF9
PF10
PF11 PF12
PF13 PF14
PF15 PG0
PG1
PG2 PG3
PG4 PG5
PG6 PG7
PG8
PG9 PG10
PG11 PG12
PG13 PG14
PG15
NRESET
BOOT0
除PC14,PC15(是32768晶振引脚),所有GPIO全部引出。
注意:这个地方和ST官方开发板不同
ST开发板是高电平点亮,安富莱开发板是低电平点亮
1
2
3
4
5
6
1 2
3 4
5 6
7 8
9 10
11 12
13 14
15 16
17 18
19 20
21 22
23 24
25 26
27 28
29 30
31 32
33 34
35 36
37 38
39 40
41 42
43 44
45 46
47 48
49 50
51 52
53 54
55 56
57 58
59 60
1 2
3 4
5 6
7 8
9 10
11 12
13 14
15 16
17 18
19 20
21 22
23 24
25 26
27 28
29 30
31 32
33 34
35 36
37 38
39 40
41 42
43 44
45 46
47 48
49 50
51 52
53 54
55 56
57 58
59 60
1
2
3
4
5
6
R
2
4
1
0
K
R
2
1
1
0
K
R
1
6
1
0
K
R
9
4
1
0
K
R
4
1
1
0
K
DOWN
SELECT
RIGHT
UP
COMMON
LEFT
S14
S
1
3
K
S
M
C
6
1
2
B
R
6
1
0
K
S
1
1
K
S
M
C
6
1
2
B
R
8
1
0
K
S
1
2
K
S
M
C
6
1
2
B
R
1
1
1
0
0
K
LD1 1GR25
1k
R26
1k
R27
1k
LD2 1G
LD3 1G
R73
1k
LD4 1G
R
P
1
1
0
K
CN20
IDC50
CN19
IDC50
CN15
[7] UD-
[7] UD+
[2,6] PA12/USBDP
[2,6] PA11/USBDM
[2,6]PB14
VDD5V_USB
VDD3.3V
[7] UD+
[7] UD-
[2,3,4,5,6,7]
FSMC_D0
[2,3,4,5,6] FSMC_A2
[2,3,4,5,6,7] FSMC_NOE
[2,3,4,5,6,7] FSMC_NWE [3]CH374_NCS
[2,3,4,5,6,7]FSMC_D7
[2,3,4,5,6,7]FSMC_D6
[2,3,4,5,6,7]FSMC_D5
[2,3,4,5,6,7]FSMC_D4
[2,3,4,5,6,7]FSMC_D3
[2,3,4,5,6,7]FSMC_D2
[2,3,4,5,6,7]FSMC_D1
[2,6] PE2
VDD3.3V
[3] LCD_NCS [2,3,4,6]FSMC_A0
[2,3,4,5,6,7] FSMC_NWE [2,3,4,5,6,7]FSMC_NOE
[2,4,5,6,10] NRESET [2,3,4,5,6,7]FSMC_D0
[2,3,4,5,6,7]FSMC_D2
[2,3,4,5,6,7]FSMC_D4
[2,3,4,5,6,7]FSMC_D6
[2,3,4,5,6]FSMC_D8
[2,3,4,5,6]FSMC_D10
[2,3,4,5,6]FSMC_D12
[2,3,4,5,6]FSMC_D14
[2,3,4,5,6,7] FSMC_D1
[2,3,4,5,6,7] FSMC_D3
[2,3,4,5,6,7] FSMC_D5
[2,3,4,5,6,7] FSMC_D7
[2,3,4,5,6] FSMC_D9
[2,3,4,5,6] FSMC_D11
[2,3,4,5,6] FSMC_D13
[2,3,4,5,6] FSMC_D15
VDD3.3V
[2,6] PG11 [2,4,6]PA5/SPI1_SCK
[2,4,6] PA6/SPI1_MISO [2,4,6]PA7/SPI1_MOSI
[2,6] PC5 [2,6]PB1
[2,6]PB5
VDD3.3V
+5V
VDD3.3V
+5V
[2,6]PB0
VDD3.3V
[2,6] PA8
DATE:
SHEET NAME:
2009-12-17armflyDRAWN BY: OF
STM32F103ZE-EK 开发板
A3 [6]USB_LCD_IR
7 10
REV:SIZE:
COMPANY:
TITLE:
SHEET:
2.0
安富莱电子开发网 www.armfly.com
USB HOST (USB 1.1协议) USB DEVICE
(LCD_RS)
(背光控制)
(TP_MOSI)(TP_MISO)
(TP_NCS) (TP_SCK)
(TP_PEN_INT)
(中断输出信号,开漏)
TFT LCD接口(带触摸屏控制信号)
PB14输出低电平是使能USB总线
(TP_BUSY)
0x6C00 0000
0x6C00 0002
地址端口 :0x6C20 0000
数据端口 :0x6C20 0008
红外接收
注意:必须5V供电
STM32的IO可以兼容5V输入,因此无需电平转换
红外发射
中心频率:38KHz
PF0
PD4
PD14
PD0
PE7
PE9
PE11
PE13
PE15
PD9
PA5
PA7PA6
PD10
PD8
PE14
PE12
PE10
PE8
PD1
PD15
PD5
PG12+地址译码器
1
2
3
4
5
6
7
8
9
10 11
12
13
14
15
16
17
18
19
20
1
2
3
4
5
6
1
2
3
4
5
6
1 2
3 4
5 6
7 8
9 10
11 12
13 14
15 16
17 18
19 20
21 22
23 24
25 26
27 28
29 30
1
2 3
2
1
3
INT
WR
RD
A0
V3
UD+
UD-
XI
XO
D0 D1
D2
SCS/D3
D4
SCK/D5
SDI/D6
SD0/D7
GND
CS
VCC
U5
CH374T
VCC
D-
D+
GND
S
H
E
L
L
1
S
H
E
L
L
2
CN12
CON-USB-A-4P
C
5
6
1
0
6
/
1
0
VCC
D-
D+
GND
S
H
E
L
L
1
S
H
E
L
L
2
CN3
CON-USB-B-4P
R
7
1
.
5
K
X1
24M
C
5
1
8
0
/
5
0
C
6
1
8
0
/
5
0
C10
104/50
R
2
0
1
0
K
CN10
R
8
2
1
0
K
Q1
S8550LT1
R83
10K
GND
OUT
VS
Q2
HS0038B
C
5
9
1
0
6
/
1
0
R19
120
D
1
S
I
R
3
4
1
S
T
3
F
Q4
S8050LT1
R
4
9
1
k
C
7
5
1
0
6
/
1
0
R76
10K
-5V_DSO +5V_DSO
[2,6]PC0/ADC123_IN10
+5V_DSO
+2.5V_DSO
-5V_DSO +5V_DSO
[2,6]PC1/ADC123_IN11
[2,6]PC2/ADC123_IN12
[2,6]PC3/ADC123_IN13
+2.5V_DSO
+2.5V_DSO
DATE:
SHEET NAME:
2009-12-17armflyDRAWN BY: OF
STM32F103ZE-EK 开发板
A3 [7]DSO
8 10
REV:SIZE:
COMPANY:
TITLE:
SHEET:
2.0
安富莱电子开发网 www.armfly.com
插件电容
插件电容
CH1通道可以启动3个ADC交错采样,实现最大3M的采样速率
示波器输入通道1
示波器输入通道2
高增益通道
低增益通道
输入阻抗:1M欧姆,可与标准示波器探头匹配。
输入阻抗:1M欧姆,可与标准示波器探头匹配。
高增益通道 1:1
低增益通道 1:5
2.5V参考电压源
电平平移电路
信号缓冲电路
电平平移电路
信号缓冲电路
(-2.5V -> +2.5V)
(0V -> +3V)
(-2.5V -> +2.5V)
(0V -> +3V)
输入:±12V、±120V(探头X10)
配合探头的X10开关,实现4档信号
±2V、±10V、±20V、±100V、
输入:±2.5V、±25V(探头X10)
不贴
不贴
(0V -> +2.5V)
1
2 -
+
2
3
1
+
-
5
6
7
1 2 3
1 2 3
1
2
+
-
10
9
8
-
+
13
12
14
1 2 3
1 2 3
3
1
2
CN11
BNC插座/6064A
C55
104/250
R
8
4
6
8
0
K
R
8
5
1
2
0
K
R
8
6
1
0
0
K
R
8
7
1
0
0
K
C
5
7
4
7
0
/
5
0
C
5
8
1
0
0
R88
1k
C62
180/50
U16-A
TL074
R89
1k
R
9
0
1
0
K
U16-B
TL074
R91
4.7K
R92
4.7K
R
9
5
4
.
7
K
S5
S6
D4
BAV99LT1
R96
51
R
2
8
1
k
CN9
BNC插座/6064A
C40
104/250
R
2
9
6
8
0
K
R
3
0
1
2
0
K
R
3
9
1
0
0
K
R
4
2
1
0
0
K
C
4
3
4
7
0
/
5
0
C
4
5
1
0
0
/
5
0
R43
1k
C49
180/50
U16-C
TL074
R47
1k
R
5
4
1
0
K
U16-D
TL074R59
4.7K
R62
4.7K
R
6
3
4
.
7
K
S7
S8
D3
BAV99LT1
R65
51
R66
51
R67
51
C
6
5
1
0
4
/
5
0
R111
0
R112
0
R55
1k
C7
180/50
R56
1k
C30
180/50
D
5 A
Z
4
3
1
B
N
VDD3.3V
[2,6,9] PB15/I2S2_SD
[2,6] PB12/I2S2_WS
[2,6] PB13/I2S2_CK
[2,6] PC6/I2S2_MCK
VDD_AUDIO
GND
[2,4,6,9] PB6/I2C1_SCL
[2,4,6,9] PB7/I2C1_SDA
GND
VDD_AUDIO
+5V
[9] ADCDAT
[2,6,9]PB15/I2S2_SD
VDD3.3V
[9] WM_GPIO1
[9] FM_OUTL
[9] FM_OUTR
[9] ADCDAT
[9]MICBIAS
[9] WM_GPIO1
[9] RIP
[9] RIN
[9] LIP
[9] LIN
[9] MICBIAS
[9] LIP
[9] LIN
[9] MICBIAS
[9] RIP
[9] RIN
[2,4,6,9] PB6/I2C1_SCL
[2,4,6,9] PB7/I2C1_SDA
VDD3.3V VDD_FM
[9] FM_OUTL
[9] FM_OUTR
[9]FM_ANT
[9]FM_ANT
VDD_FM
VDD3.3V
安富莱电子开发网 www.armfly.com
2.0
SHEET:
TITLE:
COMPANY:
SIZE: REV:
109
[8]CODEC_FMA3
STM32F103ZE-EK 开发板
OFDRAWN BY: armfly 2009-12-17
SHEET NAME:
DATE:
I2S音频DAC 
MODE接地:选择2线控制接口(I2C,只写)
耳机的地接OUT3可实现主通道无需电容耦合
FM收音机信号
MIC插座,可接带驻极体MIC的头戴耳机
所以通过WM8978的GPIO控制切换
STM32,I2S放音和录音不能同时进行
保留不焊接
(I2C总线,芯片地址:0xC0)
音频电路电源
板载MIC 外置MIC输入
驻极体话筒
板载MIC可做环境音拾取
外置MIC可做主音源,通过软件过滤环境噪声
FM收音机模块
BUSMODE接地表示选择I2C总线模式
BUSMODE接高电平表示选择3线模式
使用耳机线作为FM天线
可以用1根普通导线连接到T3做天线
S3拨码开关1、2选ON时,支持驻极体话筒
S3拨码开关1、2选OFF时,支持动圈话筒
该插座是1个差分输入端口,可以用于高分辨率的交流信号采样
因此可以用来作为一个虚拟示波器用,特点是:
(1)差分输入,抑制公模干扰(特别适合检测电话线上的信号)
(2)电压采样精度高(24bit)
板载MIC使用了WM8978的左声道
MIC插座使用WM8978的右声道
预留给下版电路
WMGPIO1缺省是输入,因此加上拉电阻禁止ADC
120欧姆电阻避免软件设置错误导致短路
1
2
3
4
5
6
7
8
9
10
11
1213
14
15
16
17
18
19
20
21
22
23
24
25
26
27
28
29
30
31
32
33
5
1
2
3
4
1
2
3 4
5
1
2
5
1
2
3
4
1
2
3
4
5 6
7
8
9
10
1
1
2
3
4
C33
106/10
L2
47uH
C
2
6
1
0
6
/
1
0
C13
106/10
C1
106/10
C4
105/10
C8
104/50
C12
104/50
C24
105/10
+
-
B1
SPEAKER(8欧)
R15
10K
C42 106/10
LIP
LIN
L2/GPIO2
RIP
RIN
R2/GPIO3
LRC
BCLK
ADCDAT
DACDAT
MCLK
DGNDDCVDD
DBVDD
CSB/GPIO1
SCLK
SDIN
MODE
AUXL
AUXR
OUT4
OUT3
ROUT2
SPKGND
LOUT2
SPKVDD
VMID
AGND
ROUT1
LOUT1
AVDD
MICBIAS
GNDPADDLE
U2
WM8978
CN1
AUDIO JACK(3.5MM)
R37
0
OE
A
GND Y
VCC
U6
SN74LVC1G125DCKR(SOT353)
R81
0
C66
106/10
C67
106/10
+
-
B2
R108
680
C68
105/10
C69
105/10
R
1
1
0
0
CN4
AUDIO JACK(3.5MM)
R115
680
C70
105/10
C71
105/10
R
1
1
7
0
R118
0
R13
47K
C72
221/50
R119
47K
C73
221/50
SDA
SCL
BUSMODE
W/R
VCC GND
ROUT
LOUT
MPXO
ANT
U18
TEA5767
L4
47uH
C
7
4
1
0
6
/
1
0
C
3
6
1
0
4
/
5
0
L5 1UH
L6 1UH
L7 1UH
R14
0
T3
S
3
K
H
S
0
2
E
R121
10K
R122
120
GND
GND
VDD3.3V
GND
VDD3.3V
[2,4,5,6,7,10] NRESET
GND
-5V_DSO
+5V
+5V_DSO
+5V +5V_DSO
VDD3.3V
[2,6] BOOT0
[2,4,6] PB2/BOOT1
VDD5V_USB
+5V
VDD3.3V VDDA
VREF+
[2,6] PB4/TRST
[2,6] PA15/TDI
[2,6] PA13/TMS
[2,6] PA14/TCK
[2,6] PB3/TDO
[2,4,5,6,7,10] NRESET
VDD3.3V
GND
J_5V
J_5V
DATE:
SHEET NAME:
2009-12-17armflyDRAWN BY: OF
STM32F103ZE-EK 开发板
A3 [9]POWER_JTAG_HOLE
10 10
REV:SIZE:
COMPANY:
TITLE:
SHEET:
2.0
安富莱电子开发网 www.armfly.com
3.3V电源电路(提供给CPU和大部分外设)
启动模式
B00T0 = 1 BOOT1 = 0 从系统代码启动
BOOT0 = 0 BOOT1 = X 从FLASH中启动
JTAG调试接口复位电路
3.3V参考电压
电源插座
(1)外部电源只能选择5.0V的直流电源,如果电压过高会烧毁目标板。
3.3V参考电压(用于DAC和ADC)
示波器电路的电源
不贴
BOOT0 = 1 BOOT1 = 1 从SRAM中启动
J-LINK仿真器通过JTAG插座第19脚对目标板供电
JTAG IEEE标准推荐TDI,TMS和nTRST加上拉电阻,但是不推荐TCK加上拉电阻。
STM32F10XXX内嵌了这些电阻,因此外部再无需上拉和下拉电阻。
供电电压 5.0V,电流限制 300mA
(2)外部电源和J-LINK供电只能二选一。
+5V直接提供给USB-HOST和示波器电路
电源插座是有极性的,内正外负极,芯线直径2.0mm
特别注意,很多市售的5V DC电源输出电压高于5.5V。
5V DC
也可以通过J-LINK仿真器复位目标板
1
23
1
1
1
2
3
4 5
6
7
8
1
2
3
4
1
3
2
1 2 3
1 2
3 4
5 6
7 8
9 10
11 12
13 14
15 16
17 18
19 20
1
GND/ADJUST
VOUTVIN
U7
AMS1117
R
9 1
kC
1
1
1
0
6
/
1
0
HOLE5
T1
T2
R
4
8
1
0
K
S
9
K
S
M
C
6
1
2
B
C
5
4
1
0
4
/
5
0
R
9
3
1
0
K
NC
CAP+
GND
CAP- VOUT
LV
OSC
V+
U11
ICL7660
L1
47uH
C
2
9
1
0
6
/
1
0
C
3
8
1
0
6
/
1
0
C
3
9
1
0
6
/
1
0
S
2
K
H
S
0
2
E
R
5
8
1
0
K
R68
10K
R69
10K
CN13
S1
L3
47uH
C
6
3
1
0
6
/
1
0
CN16
C
5
1
1
0
6
/
1
0
R
4
6
0
L
D
5
1
G
HOLE6
HOLE7
HOLE8
T4
R109
0
R
6
1
0
R114
0
OH1
mark
OH2
mark
C
3
5 1
0
6
/
1
0
HOLE9
HOLE10
HOLE11
HOLE12

缩略图:

  • 缩略图1
  • 缩略图2
  • 缩略图3
  • 缩略图4
  • 缩略图5
当前页面二维码

广告: