lm358中文详细资料.pdf

  • 文件大小: 794.68KB
  • 文件类型: pdf
  • 上传日期: 2025-08-23
  • 下载次数: 0

概要信息:

lm358中文资料下载_电路图之家
http://www.wuyazi.com/dlt/jcdl/ysfd/201003/2610.html[2010/4/28 15:03:55]
会员中心 TAG标签
网站地图 RSS订阅
 智能模糊搜索  搜索
主页 基础电路 控制电路 电源电路 光电电路 音频电路 检测电路 信号产生 电器电路 555电路 微机单片机
触发/翻转  可控硅电路  数字电路  模拟电路  电子入门  电子器件知识 运算放大  调制、阻抗变换  功率放大  滤波
器
返回首页
当前位置:  主页  > 基础电路  > 运算放大  >
鐢垫簮澶勭悊鍣�/span>
鎻愪緵鍒涙柊鍙婇 鍏堢殑鐢垫簮绠$悊浜у搧
缃戜笂澶囨湁鍚勮姱鐗囪祫鏂欏強鏁版嵁琛ㄤ互
渚涗笅杞�
power.national.com/CHS
楂樺帇鏀惧ぇ鍣 紝楂樺帇娴嬭瘯绯荤粺
鍚勫ぇ楂樻牎浜夌浉璐 拱锛岃緭鍑哄彲
杈�00Vp-p! 璇︽儏璇峰挩璇㈠搧鑷寸數瀛愶
細800 716 7789
www.pintech.com.cn
RST3000鍨嬫祴閲忔斁澶у櫒
RST3000鎻愪緵3涓i害鍏嬮 杈撳叆閫氶
亾,涓€涓�LEMO澶达紝鑳借繘琛屽 鐩婅皟鑺
傘€�
www.rstech.com.cn
");c[e]("
LM358内部包括有两个独立的、高增益、内部频率补偿的双运算放大器, 
适合于电源电压范围很宽的单电源使用,也适用于双电源工作模式,在推荐的工 
作条件下,电源电流与 电源电压无关。它的使用范围包括传感放大器、直流增益 
模组,音频放大器、工业控制、DC增益部件和其他所有可用单电源供电的使用运算放大器的场合。 
LM358的封装形式有塑封8引线双列直插式和贴片式。 
特性(Features): 
*内部频率补偿。 
*直流电压增益高(约100dB) 。 
*单位增益频带宽(约1MHz) 。 
*电源电压范围宽:单电源(3—30V);双电源(±1.5一±15V) 。 
*低功耗电流,适合于电池供电。 
*低输入偏流。 
*低输入失调电压和失调电流。 
*共模输入电压范围宽,包括接地。 
*差模输入电压范围宽,等于电源电压范围。 
*输出电压摆幅大(0至Vcc-1.5V) 。 
参数 
输入偏置电流45 nA 
输入失调电流50 nA 
输入失调电压2.9mV 
输入共模电压最大值VCC~1.5 V 
共模抑制比80dB 
电源抑制比100dB 
lm358中文资料下载
时间: 2010-03-29 来源:本站整理 作者:电路图之家
广告链接
Google 鎻愪緵鐨勫箍鍛�/a>
鐢垫簮鍙樺帇鍣�/a>
寮€鍏崇數婧�/a>
鐢垫簮妯″潡
UPS鐢垫簮
鐢垫簮鐢佃矾鏉�/a>
推荐内容
运算放大器积分电路图
积分运算电路的分析方法与加法电路差
不多,反相积分运算电路如图1所示。根
运算放大器原理
运算放大器(Operational
Amplifier,简称OP、OPA、OPAMP)
施密特电路
人们都知道施密特电路,这是根据设计
者名字的叫法,一般叫滞后电路。 如果
三运放差分放大电路
三运放差分电路 如图所示的同相并联三
运放结构,这种结构可以较好地满足上
运算放大器开环电压增益
开环电压增益AVOL的定义与量测方法
1. AVOL的定义: 在不具负反馈情况
热点内容
运算放大器减法电路原理
比较器和运算放大器的区别
运算放大器微分电路图
实用微分器
运算放大器积分电路图
基本微分器
同相放大电路
运算放大器原理
LM324应用原理
低噪声微分器
lm358中文资料下载_电路图之家
http://www.wuyazi.com/dlt/jcdl/ysfd/201003/2610.html[2010/4/28 15:03:55]
 
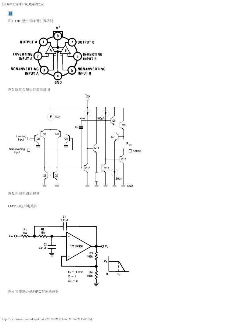
图1 DIP塑封引脚图引脚功能 
 
图2 圆形金属壳封装管脚图 
 
图3 内部电路原理图 
LM358应用电路图: 
 
图4 直流耦合低通RC有源滤波器 
lm358中文资料下载_电路图之家
http://www.wuyazi.com/dlt/jcdl/ysfd/201003/2610.html[2010/4/28 15:03:55]
 
 
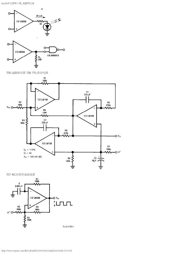
图5 LED驱动器 图6 TTL驱动电路 
 
图7 RC有源带通滤波器 
 
lm358中文资料下载_电路图之家
http://www.wuyazi.com/dlt/jcdl/ysfd/201003/2610.html[2010/4/28 15:03:55]
 
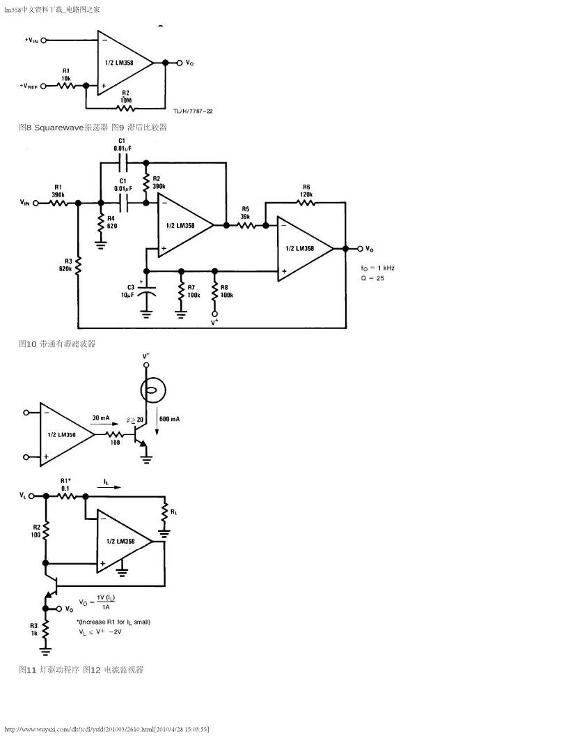
图8 Squarewave振荡器 图9 滞后比较器 
 
图10 带通有源滤波器 
 
 
图11 灯驱动程序 图12 电流监视器 
lm358中文资料下载_电路图之家
http://www.wuyazi.com/dlt/jcdl/ysfd/201003/2610.html[2010/4/28 15:03:55]
 
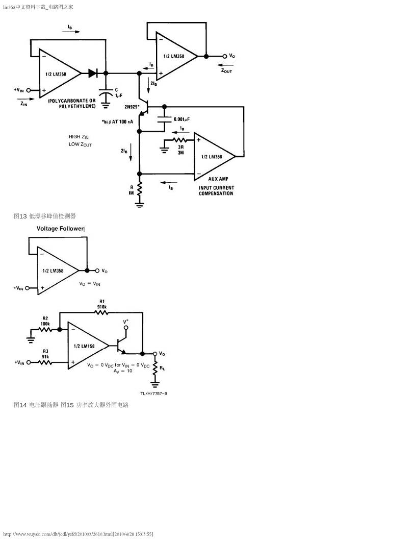
图13 低漂移峰值检测器 
 
 
图14 电压跟随器 图15 功率放大器外围电路 
lm358中文资料下载_电路图之家
http://www.wuyazi.com/dlt/jcdl/ysfd/201003/2610.html[2010/4/28 15:03:55]
 
图16 电压控制振荡器VCO 
 
 
图17 固定电流源 图18 脉冲发生器 
lm358中文资料下载_电路图之家
http://www.wuyazi.com/dlt/jcdl/ysfd/201003/2610.html[2010/4/28 15:03:55]
 
图19 交流耦合反相放大器 
 
图20 交流耦合非反相放大器 
 
图21 可调增益仪表放大器 
lm358中文资料下载_电路图之家
http://www.wuyazi.com/dlt/jcdl/ysfd/201003/2610.html[2010/4/28 15:03:55]
 
 
图22 直流放大器 图23脉冲发生器 
 
 
图24 桥式电流放大器 图25 引用差分输入信号 
lm358中文资料下载_电路图之家
http://www.wuyazi.com/dlt/jcdl/ysfd/201003/2610.html[2010/4/28 15:03:55]
 
图26 直流差动放大器
上一篇:施密特电路
下一篇:比较器和运算放大器的区别
相关文章:
反相放大器工作原理 同相放大电路
同相加法器电路原理 运算放大器减法电路原理
运算放大器积分电路图 运算放大器微分电路图
运算放大器原理 LM324应用原理
比较器和运算放大器的区别 lm358中文资料下载
Powered by www.wuyazi.com © 2004-2009 Inc.
Copyright © 2002-2009 电路图之家. 版权所有
鲁ICP备05049740号

缩略图:

  • 缩略图1
  • 缩略图2
  • 缩略图3
  • 缩略图4
  • 缩略图5
当前页面二维码

广告: